Ngarep > Produk > Bolt > Bolt sudut rolas > 12 Untu Spline Bolts Kanthi Flange
        12 Untu Spline Bolts Kanthi Flange
        • 12 Untu Spline Bolts Kanthi Flange12 Untu Spline Bolts Kanthi Flange
        • 12 Untu Spline Bolts Kanthi Flange12 Untu Spline Bolts Kanthi Flange
        • 12 Untu Spline Bolts Kanthi Flange12 Untu Spline Bolts Kanthi Flange

        12 Untu Spline Bolts Kanthi Flange

        12 untu spline bolts karo flange asring cocok kanggo proyek sing mbutuhake sambungan tenan lan anti-slip. Bisa nyedhiyakake torsi sing luwih apik lan nyegah bolts saka slipping sak proses tightening. Baut sing diprodhuksi dening pabrik Xiaoguo® tundhuk karo standar eksekusi MS 14157B-1978.

        Kirim Pitakonan

        Deskripsi Produk

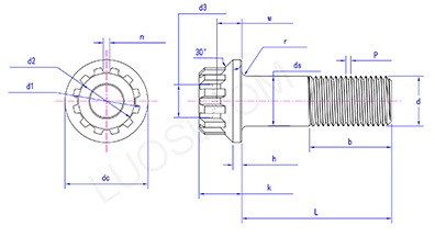
        Kepala 12 untu spline bolts karo flange dirancang karo 12 untu, kang bisa pas rapet karo cocog spline socket wrench. Ing sisih ngisor ana flange kaya gasket, sing bisa nambah area kontak karo materi sing disambungake.


        Fitur produk

        12 untu spline bolts karo flange fitur struktur unik saka 12 untu spline plus flange. Spline 12-waos nyedhiyakake titik aplikasi pasukan luwih akeh, nggawe operasi pengetatan luwih tepat lan lancar. Flanges mbubarake tekanan, nambah stabilitas sambungan lan nyegah bolt saka loosening.


        Bolts iki bisa disambungake menyang ROOT saka wilah turbin angin. Bolt blade kena gaya sentrifugal 20 ton. Bisa nanggung beban. Kepala spline bisa tahan torsi hidrolik 1.000 N·m. Flange bisa nyegah oyod bahan komposit saka retak amarga gerakan mikro. Perlu diganti saben limang taun, lan saben agul-agul rusak biaya minangka akeh minangka 250.000 dolar AS.


        Baut spline 12 untu mbutuhake obeng spline sing cocog. Padha bisa ngirim torsi ageng tanpa stripping, adoh luwih unggul bolt heksagonal. Fungsi flange sing dibangun padha karo gasket, supaya sampeyan bisa ngirit komponen tambahan. Iku Highly cocok kanggo pangopènan heavy equipment.


        12 untu spline bolts karo flange ora gampang kanggo tampered karo. Umume wong ora duwe alat spline. Flanges bisa njaga bolts tetep ing geter lan digunakake ing mesin umum utawa trek sepur sing ana risiko nyolong. Kanggo wilayah geter dhuwur (kompresor, generator), bisa dipasang kanthi kuat. Sopir spline ora bakal metu. Opsi flange bergerigi bisa nggigit permukaan. Ora ana mesin cuci kunci sing dibutuhake.

        Parameter produk

        Mon 1/4 5/16 3/8 7/16 1/2 9/16 5/8 3/4 7/8
        P 28 24 24 20 20 18 18 16 14
        dc maks 0.438 0.531 0.649 0.75 0.828 0.938 1.05 1.23 1.438
        dc min 0.428 0.521 0.639 0.74 0.818 0.928 1.04 1.22 1.428
        k maks 0.26 0.322 0.347 0.403 0.46 0.515 0.572 0.61 0.71
        k min 0.25 0.312 0.337 0.393 0.45 0.505 0.562 0.6 0.7
        h maks 0.055 0.071 0.079 0.092 0.112 0.122 0.133 0.165 0.19
        h min 0.035 0.051 0.059 0.072 0.092 0.102 0.113 0.145 0.17
        b min 0.55 0.638 0.708 0.803 0.878 0.97 1.04 1.201 1.367
        d3 maks 0.19 0.225 0.27 0.33 0.39 0.45 0.51 0.58 0.66
        d3 min 0.15 0.185 0.23 0.29 0.35 0.41 0.47 0.54 0.62
        w min 0.135 0.162 0.197 0.228 0.254 0.289 0.327 0.38 0.438
        ds maks 0.2495 0.312 0.3745 0.473 0.4995 0.5615 0.624 0.749 0.874
        ds min 0.2485 0.311 0.3735

        0.436

        0.4985 0.5605 0.623 0.748 0.873
        d1 maks 0.381 0.456 0.531 0.679 0.753 0.828 0.901 1.124 1.27
        d1 min 0.373 0.447 0.522 0.668 0.742 0.817 0.89 1.112 1.258
        d2 maks 0.324 0.389 0.455 0.585 0.651 0.717 0.782 0.978 1.107
        d2 min 0.318 0.383 0.448 0.578 0.644 0.711 0.774 0.97 1.099
        n maks 0.037 0.043 0.05 0.061 0.068 0.073 0.079 0.097 0.108
        n min 0.031 0.037 0.043 0.054 0.06 0.065 0.071 0.088 0.099
        r maks 0.041 0.041 0.057 0.057 0.057 0.057 0.073 0.073 0.073
        r min 0.031 0.031 0.047 0.047 0.047 0.047 0.063 0.063 0.063

        12 teeth spline bolts with flange

        Hot Tags: 12 Teeth Spline Bolts Kanthi Flange, China, Produsen, Supplier, Pabrik
        Kategori sing gegandhengan
        Kirim Pitakonan
        Mangga bebas menehi pitakon ing formulir ing ngisor iki. Kita bakal mangsuli sampeyan ing 24 jam.
        X
        Kita nggunakake cookie kanggo menehi pengalaman browsing sing luwih apik, nganalisa lalu lintas situs lan nggawe konten pribadi. Kanthi nggunakake situs iki, sampeyan setuju kanggo nggunakake cookie. Kebijakan Privasi
        nolak Nampa