Ngarep > Produk > Nut > Tangan Screw The Nut > Black Nickel Plating Rolling Nut
        Black Nickel Plating Rolling Nut
        • Black Nickel Plating Rolling NutBlack Nickel Plating Rolling Nut
        • Black Nickel Plating Rolling NutBlack Nickel Plating Rolling Nut

        Black Nickel Plating Rolling Nut

        Sumber komponen Black Nickel Plating Rolling Nut awet langsung. Minangka pabrik China Black Nickel Plating Rolling Nut sing unggul, XIAO GUO ngasilake kacang kanthi bantalan bola recirculating kanggo gesekan minimal, umur dawa, lan kapasitas beban dhuwur.

        Kirim Pitakonan

        Deskripsi Produk

        Pilihan sing paling umum yaiku Black Nickel Plating Rolling Nut digawe saka baja karbon. Umume baja karbon duwe plating seng kanggo njaga karat, sing bisa digunakake ing njero ruangan utawa ruangan ruangan sing ditutupi.

        Kanggo lingkungan lembab utawa panggunaan ruangan, stainless steel minangka pilihan sing luwih apik. Iki tahan kelembapan lan karat, sanajan ing wilayah sing rada asin cedhak pesisir. Kita uga duwe versi aluminium kanggo kabutuhan entheng-biasane digunakake ing elektronik, ing ngendi bagean abot bisa mengaruhi kinerja piranti.

        Kabeh bahan cocog karo standar industri dhasar, ora ana perawatan ekstra sing ora perlu. Pilih baja karbon kanggo tugas saben dina, baja tahan karat kanggo panggonan sing teles, lan aluminium kanggo karya sing entheng. Pilihan materi Black Nickel Plating Rolling Nut nyakup kabutuhan perakitan sing paling umum, ora ana tambahan sing apik mung pilihan praktis.


        perawatan lumahing produk

        Plating seng minangka pilihan sing paling umum. Iki minangka proses dhasar sing mbantu nyegah karat, apik kanggo panggunaan njero ruangan utawa papan ruangan sing ditutupi. Iku ora nambah kekandelan ekstra, supaya ora mengaruhi carane nut pas menyang bolongan sheet metal sak instalasi. Umume kacang-kacangan sing digunakake saben dina teka karo perawatan iki.

        Kanggo resistance karat sing luwih apik, ana hot-dip galvanizing. Luwih kenthel tinimbang plating seng biasa, saengga bisa tahan luwih suwe ing wilayah sing lembab utawa papan sing rada lembab, kaya bengkel cedhak pesisir. Kanggo kacang stainless steel, kita nindakake perawatan passivation-mung nambah kemampuan tahan karat alami tanpa ngganti tampilan.

        Ora ana lapisan sing apik ing kene, mung sing praktis. Pilih plating seng kanggo kabutuhan standar, galvanizing hot-dip kanggo lingkungan lembab, lan passivation kanggo model stainless steel. Pangobatan permukaan Black Nickel Plating Rolling Nut kabeh babagan perlindungan dhasar, sing cocog karo skenario perakitan lembaran logam sing paling umum.

        Black Nickel Plating Rolling Nut

        Sesi Q&A

        P: Apa aku bisa nginstal tanpa alat profesional?

        A: Ora, sampeyan butuh alat penet dhasar utawa mesin riveting cilik. Manual hammering ora dianjurake; bakal ngrusak benang kacang utawa ngeculake. Kanggo batch cilik, alat pencet manual genggam bisa digunakake. Kanggo pesenan gedhe, mesin pers otomatis luwih efisien. Kita uga bisa menehi rekomendasi model alat sing cocog karo produk kita yen sampeyan durung duwe sing bener.  

        Black Nickel Plating Rolling Nut



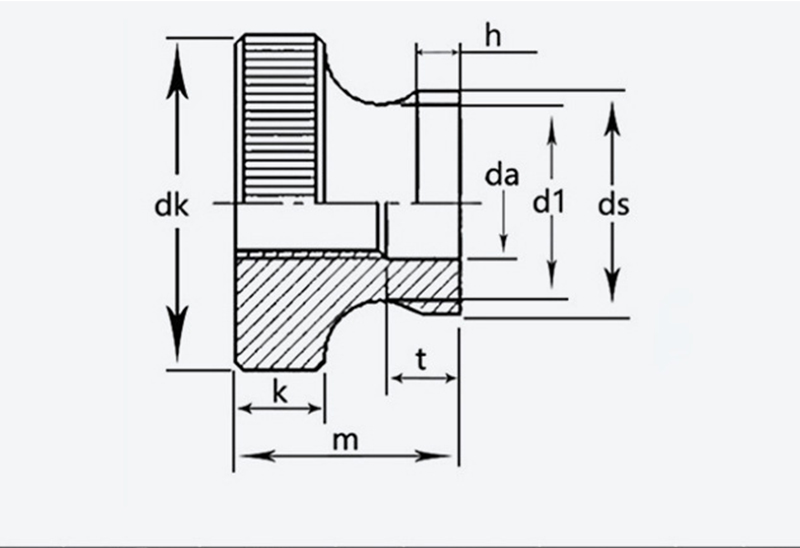
        ukuran Pitch Dhiameter njaba dhuwur k ds da d1 T h
        maks min maks min maks min maks min maks
        M3 0.5  11  10.7  6.64  2.8  5.7  3.5  3.2  5.2  1.2 
        M4 0.7  12  11.7  7.64  7.64  4.5  4.2  6.4  2.5  1.5 
        M5 0.8  16  15.7  10  96.6  10  9.64  5.5  5.5 
        M6 20  19.7  12  11.6  12  11.6  6.56  6.2  11  2.5 
        M8 1.25  24  23.7  16  15.6  16  15.6  8.86  8.5  13 
        M10 1.5 30 29.7 20 19.5 8 20 19.5 10.9 10.5 17.2 6.5 3.8
        Hot Tags: Black Nickel Plating Rolling Nut, China, Produsen, Supplier, Pabrik
        Kategori sing gegandhengan
        Kirim Pitakonan
        Mangga bebas menehi pitakon ing formulir ing ngisor iki. Kita bakal mangsuli sampeyan ing 24 jam.
        X
        Kita nggunakake cookie kanggo menehi pengalaman browsing sing luwih apik, nganalisa lalu lintas situs lan nggawe konten pribadi. Kanthi nggunakake situs iki, sampeyan setuju kanggo nggunakake cookie. Kebijakan Privasi
        nolak Nampa