Ngarep > Produk > Bolt > Bolt Kepala Square > Baja Karbon Metrik Square Kepala Bolts
        Baja Karbon Metrik Square Kepala Bolts
        • Baja Karbon Metrik Square Kepala BoltsBaja Karbon Metrik Square Kepala Bolts
        • Baja Karbon Metrik Square Kepala BoltsBaja Karbon Metrik Square Kepala Bolts
        • Baja Karbon Metrik Square Kepala BoltsBaja Karbon Metrik Square Kepala Bolts
        • Baja Karbon Metrik Square Kepala BoltsBaja Karbon Metrik Square Kepala Bolts
        • Baja Karbon Metrik Square Kepala BoltsBaja Karbon Metrik Square Kepala Bolts

        Baja Karbon Metrik Square Kepala Bolts

        Carbon Steel Metric Square Head Bolts, umume digunakake ing konstruksi, kayu, lan aplikasi mesin lawas, nawakake estetika vintage utawa abot. Kanggo Xiaoguo® - supplier berpengalaman saka fasteners - kualitas produk sing konsisten saka bolt kuwi prasetya inti.
        Model:ASME/ANSI B18.2.1-1-1972

        Kirim Pitakonan

        Deskripsi Produk

        Sepira apike Bolts Kepala Persegi Metrik Baja Karbon gumantung saka bahan materi. Kelas baja karbon umum yaiku 4,6 (bisa njupuk paling sethithik 400 MPa nalika ditarik), 5,6 (500 MPa), 8,8 (800 MPa), 10,9 (1000 MPa), lan 12,9 (1200 MPa).

        Baja tahan karat umum kayata A2-304 lan A4-316 nduweni fitur sing praktis banget - ora gampang teyeng. Nanging, padha duwe watesan cilik, yaiku gaya tarik sing bisa ditahan umume ora dhuwur banget, biasane ana ing kisaran 500 nganti 700 MPa. Bolts sirah kothak metrik sing luwih dhuwur (8.8 lan ndhuwur) diolah kanthi panas supaya luwih kuwat.

        Parameter produk

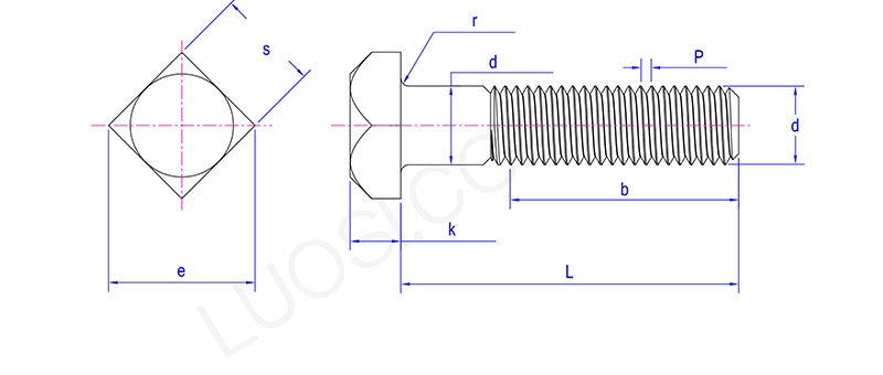
        Mon 3/8 7/16 1/2 5/8 3/4 7/8 1 1-1/8 1-1/4 1-3/8 1-1/2
        P 16|24|32 14|20|28 13|20|28 11|18|24 10|16|20 9|14|20 8|12|20 7|12|18 7|12|18 6|12|18 6|12|18
        ds maks 0.388 0.452 0.515 0.642 0.768 0.895 1.022 1.149 1.277 1.404 1.531
        s maks 0.562 0.625 0.75 0.938 1.125 1.312 1.5 1.688 1.875 2.062 2.25
        s min 0.544 0.603 0.725 0.906 1.088 1.269 1.45 1.631 1.812 1.994 2.175
        e maks 0.795 0.884 1.061 1.326 1.591 1.856 2.121 2.386 2.652 2.917 3.182
        e min 0.747 0.828 0.995 1.244 1.494 1.742 1.991 2.239 2.489 2.738 2.986
        k maks 0.268 0.316 0.348 0.444 0.524 0.62 0.684 0.78 0.876 0.94 1.036
        k min 0.232 0.278 0.308 0.4 0.476 0.568 0.628 0.72 0.812 0.872 0.964
        r maks 0.03 0.03 0.03 0.06 0.06 0.06 0.09 0.09
        0.09
        0.09
        0.09
        r min 0.01 0.01
        0.01
        0.02 0.02
        0.02
        0.03 0.03
        0.03
        0.03
        0.03

        Carbon Steel Metric Square Head Bolts


        Detail Produk

        Kanggo nyelehake ing Carbon Steel Metric Square Head Bolts, sampeyan butuh kunci pas mbukak-mburi ukuran sing tepat, kunci pas sing bisa diatur, utawa soket kothak khusus. Nggawe cukup ketat nanging ora penting banget-sampeyan kudu ngetutake nomer torsi sing disaranake. Iki miturut diameter bolt, bahan material, pitch thread, lan apa sing dilumasi.

        Teknik Operasi Skenario (Rincian Tambahan) Yen sambungan ora tightened miturut torsi standar (utawa "yen gelar tightening ora ketemu standar"), sambungan kamungkinan bakal ngeculke mengko, mrintahake pengawasan secondary lan tulangan. Nalika torsi tightening bolt ngluwihi nilai kasebut, iku gampang kanggo nimbulaké bolt kanggo plastically babagan utawa langsung break. Kanggo mesthekake stabilitas sambungan lan nyegah kegagalan bolt, dokumen panuntun dhumateng torsi sing diterbitake dening pabrikan utawa departemen teknik kudu ditindakake kanthi ketat.

        FAQ

        P: Apa ukuran kunci sing dibutuhake kanggo nginstal Carbon Steel Metric Square Head Bolts? Apa padha karo ukuran thread?

        A: Ukuran kunci (jembaré ing bagean sing rata) kanggo Bolts Kepala Persegi Metrik Baja Karbon luwih gedhe tinimbang diameter benang. Contone, bolt sirah kothak metrik kaya M12 biasane bisa tightened karo kunci 19mm. Nanging aja mung nggunakake langsung. Sampeyan kudu takon ing grafik ukuran tartamtu saka bolt lan golek kunci pas sadurunge nginstal lan tightening iku.



        Hot Tags: Carbon Steel Metric Square Head Bolts, China, Produsen, Supplier, Pabrik
        Kategori sing gegandhengan
        Kirim Pitakonan
        Mangga bebas menehi pitakon ing formulir ing ngisor iki. Kita bakal mangsuli sampeyan ing 24 jam.
        X
        Kita nggunakake cookie kanggo menehi pengalaman browsing sing luwih apik, nganalisa lalu lintas situs lan nggawe konten pribadi. Kanthi nggunakake situs iki, sampeyan setuju kanggo nggunakake cookie. Kebijakan Privasi
        nolak Nampa