Segara baja baja karbon minangka jinis pengikat sing digunakake kanggo nyambungake piring tipis utawa logam lembar. Iki digawe saka baja karbon, tempered lan quenched kanggo nambah kekerasan, lan permukaan kasebut galvani utawa digunakake tahan karat.
Nut cincin segel apik, sampeyan bisa nggunakake alat pneumatik utawa hidraulik standar. Mangkene carane kerjane: pisanan, lebokake nut ing bolongan sing wis ditumbuk, banjur gunakake pukulan lan mati kanggo meksa tekanan. Mati menet logam lembar ngubengi klari cler nut, mbentuk kunci mekanik sing solid ing siji langkah cepet.
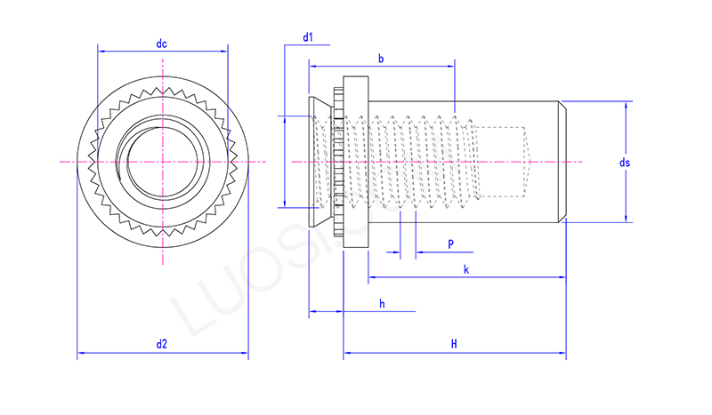
| Mon | M3-1 | M3-2 | M4-1 | M4-2 | M5-1 | M5-2 | M6-1 | M6-2 |
| P | 0.5 | 0.5 | 0.7 | 0.7 | 0.8 | 0.8 | 1 | 1 |
| DS max | 3.84 | 3.84 | 5.2 | 5.2 | 6.35 | 6.35 | 8.75 | 8.75 |
| DC Max | 4.2 | 4.2 | 5.38 | 5.38 | 6.33 | 6.33 | 8.73 | 8.73 |
| B min | 5.3 | 5.3 | 7.1 | 7.1 | 7.1 | 7.1 | 7.8 | 7.8 |
| H max | 0.91 | 1.38 | 0.97 | 1.38 | 0.97 | 1.38 | 1.38 | 1.38 |
| H max | 9.85 | 9.85 | 11.45 | 11.45 | 11.45 | 11.45 | 14.55 | 14.55 |
| H min | 9.35 | 9.35 | 10.95 | 10.95 | 10.95 | 10.95 | 14.05 | 14.05 |
| k max | 8.5 | 8.5 | 9.8 | 9.8 | 9.8 | 9.8 | 12.7 | 12.7 |
| D2 Max | 6.6 | 6.6 | 8.2 | 8.2 | 9 | 9 | 11.35 | 11.35 |
| D2 min | 6.1 | 6.1 | 7.7 | 7.7 | 8.5 | 8.5 | 10.85 | 10.85 |
| D1 | M3 | M3 | M4 | M4 | M5 | M5 | M6 | M6 |
Segara baja baja karbon ditetepake karo pangukuran kunci: Ukuran Utas (kaya M4, M5, M5, M5, 1/4 ", lan benang lembar). Sampeyan bisa njupuk ing benang lembar utawa imperial standar.
Kekuwatan klinis dheweke (kepiye dheweke nolak ditolak utawa diuji) dites marang standar industri (mikir ISO, DIN, IFI). Milih ukuran sing bener yaiku kesepakatan gedhe, mesthekake segel kasebut lan nut cukup kanggo tugas kasebut.
Kanggo nginstal sealing baja karbon, sampeyan butuh alat klinis khusus lan mati set sing cocog karo ukuran nut. Pisanan, lebokake nut kasebut dadi bolongan sing wis ditumbuk ing logam sheet. Banjur alat kasebut ditrapake kanthi tekanan sing dikontrol, sing nggawe pilot nut lan sink menyang logam sekitar. Proses sing kadhemen iki ngunci nut tahan tateri ing papan sing apik lan ing wektu sing padha, wis medhot cuci santai sing dibangun ing panel. Mangkene carane nggawe segel bukti bocor sing ndadekake kacang iki unik.
