Ngarep > Produk > Kacang Welding > Kacang Welded > Kacang Weld Square Kelas 5 Kanthi Tipe 1D
        Kacang Weld Square Kelas 5 Kanthi Tipe 1D
        • Kacang Weld Square Kelas 5 Kanthi Tipe 1DKacang Weld Square Kelas 5 Kanthi Tipe 1D
        • Kacang Weld Square Kelas 5 Kanthi Tipe 1DKacang Weld Square Kelas 5 Kanthi Tipe 1D
        • Kacang Weld Square Kelas 5 Kanthi Tipe 1DKacang Weld Square Kelas 5 Kanthi Tipe 1D

        Kacang Weld Square Kelas 5 Kanthi Tipe 1D

        Kacang kothak weld kelas 5 kanthi jinis 1D tundhuk karo standar kekuatan kelas 5. Padha dirancang ing jinis 1D lan cocok kanggo welding ing lumahing logam. Cocog kanggo mesin intensitas medium, pigura baja utawa peralatan industri. Pabrik Xiaoguo® duwe pengalaman luwih saka sepuluh taun ing produksi fastener lan duwe personel profesional kanggo nyukupi kabutuhan sampeyan.
        Model:JIS B1196-2-2001

        Kirim Pitakonan

        Deskripsi Produk

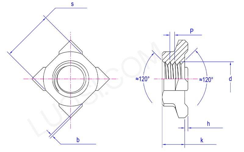
        Kacang persegi las kelas 5 kanthi jinis 1D duwe papat sisi sing rata. Ing tengah kacang duwe bolongan Utas standar, kang trep kanggo nggunakake bolts cocog. Ing lumahing welding nut, ana sawetara protrusions cilik, kang bagean tombol kanggo welding.

        kaluwihan produk

        Kacang kothak weld kelas 5 saka jinis 1D ora duwe desain bolongan sudut. Nanging, protrusion cilik lan wungu dirancang ing ngisor. Padha dirancang khusus kanggo welding titik resistance. Elektroda pencet mudhun, lan saiki mili liwat wilayah wungu. Wilayah sing diunggahake langsung nyawiji lan nggabungake kacang karo logam sing ndasari.

        Kacang kothak weld kelas 5 kanthi jinis 1D gampang lan cepet dilas. Selarasake peralatan karo protrusions cilik ing nut, lan aplikasi panas sethitik. Banjur kacang bisa dilas kanthi cepet ing piring wesi utawa benda kerja logam liyane. Dibandhingake karo perkakas biasa sing mbutuhake screwing kanggo instalasi, cara iki Ngartekno ngirit wektu. Kacang kasebut ora gampang muter, lan stabilitase luwih apik tinimbang kacang bunder.

        Salah siji saka kaluwihan utama saka welding kacang persegi jinis 1D karo Kelas 5 punika konsistensi saka proses welding. Wiwit protrusions bisa ngontrol posisi tatanan saka lapisan welding, mesin welding titik otomatis bisa entuk asil dipercaya ing saben siklus. Dibandhingake karo welding liwat-bolongan manual, kamungkinan saka kekuatan weld boten cecek amarga misalignment saka gun welding luwih murah.

        Sawise nggunakake kacang kothak weld Kelas 5 kanthi jinis 1D, priksa nugget weld. Sampeyan kudu ndeleng titik fusi padhet ing saben protrusion. Sampeyan kudu katon rampung nggabung menyang materi dhasar. Yen wangun protrusion isih katon, utawa katon kaya gosong / gores, banjur setelan welding (saiki, wektu, meksa) bisa uga kudu diatur kanggo entuk jaminan aman.

        Parameter produk

        Mon
        M4 M5 M6 M8 M10 M12
        P
        0.7 0.8 1 1|1.25 1.25|1.5 1.25|1.75
        s maks
        8 9 10 12 14 17
        s min
        7.64 8.64 9.64 11.57 13.57 16.57
        k maks
        3.2 4 5 6.5 8 10
        k min
        2.9 3.7 4.7 6.14 7.64 9.57
        h maks
        1 1 1 1 1 1.2
        h min
        0.8 0.8
        0.8
        0.8
        0.8
        1
        b maks
        0.5 0.5 0.5 1 1 1
        b min
        0.3 0.3 0.3 0.5 0.5 0.5

        parameter of Class 5 weld square nuts with type 1D

        Hot Tags: Kacang Weld Square Kelas 5 Kanthi Tipe 1D, China, Produsen, Supplier, Pabrik
        Kategori sing gegandhengan
        Kirim Pitakonan
        Mangga bebas menehi pitakon ing formulir ing ngisor iki. Kita bakal mangsuli sampeyan ing 24 jam.
        X
        Kita nggunakake cookie kanggo menehi pengalaman browsing sing luwih apik, nganalisa lalu lintas situs lan nggawe konten pribadi. Kanthi nggunakake situs iki, sampeyan setuju kanggo nggunakake cookie. Kebijakan Privasi
        nolak Nampa