Ngarep > Produk > Pin > Bunder pin > Poku CNC Mesin Clevis
      Poku CNC Mesin Clevis
      • Poku CNC Mesin ClevisPoku CNC Mesin Clevis
      • Poku CNC Mesin ClevisPoku CNC Mesin Clevis

      Poku CNC Mesin Clevis

      Pintu Clevis Machined Clevis minangka pin gandar kanthi kepala bunder, dijamin dening bolongan pin lan pinter kenceng. Dheweke umume digunakake kanggo nyambungake komponen mekanik kayata linkages lan lengen kontrol. Puncak CNC Mesin Chevis Xiaoguo yaiku mesin CNC kanggo njamin tliti lan kekuwatan sing dhuwur, supaya sampeyan bisa tuku kanthi percaya diri.

      Kirim Pitakonan

      Deskripsi Produk

      We stock CNC Machined Clevis Clevis ing sekumpulan ukuran umum, kanthi diameter sing lunga saka M3 nganti M3 nganti M3 nganti M3 nganti M3 nganti M34 nganti 200mm, saengga bisa cocog karo 200mm, saengga bisa cocog karo 200mm, saengga bisa cocog karo 200mm, saengga bisa cocog karo 200mm, saengga bisa cocog karo 200mm, saéngga bisa cocog karo 200mm, saéngga bisa cocog karo 200mm, saéngga bisa cocog karo 200mm, saéngga bakal cocog karo 25mm, saéngga bisa cocog karo 200mm, saéngga bisa cocog karo 200mm, saéngga bakal cocog karo 25mm, saéngga bisa cocog karo 25mm, saéngga bisa cocog karo 25mm, saéngga bisa cocog karo 200mm, saéngga bisa cocog karo 25mm, saéngga bisa cocog karo 25mm, saéngga bisa cocog karo 25mm, saéngga bisa cocog karo 200mm, saéngga bisa cocog karo 25mm, saéngga bisa cocog karo 200mm. Bagéan penting kaya ukuran sirah lan dawa shank digawe kanggo cocog karo spek biasa.

      CNC Machined Clevis Pins

      Kanggo macem-macem proyek, kita duwe macem-macem gelar. Ana kelas biasa kanggo nggunakake saben dinten lan luwih tepat yen sampeyan butuh luwih kenceng, kaya ing mobil utawa pesawat. Kabeh mau digawe kanggo aturan umum kaya ISO 2341, supaya sampeyan entuk saben wektu. Iki mung artine CNC Mesin CLEV MACHINCIED kita digawe kanthi kurungan standar lan bagean ing paling peralatan.

      Kontrol Kualitas Produk

      Kita nglakokake mriksa kualitas standar ing pins CNC Mesin CNC iki kanggo mesthekake yen bisa mlaku. Saben wong bakal diukur kaya kaya diameter, dawa, lan penempatan bolongan kanggo mesthekake yen ukuran kasebut bener. Kita uga nyoba materi kasebut dhewe kanggo mriksa iku jinis sing bener lan cukup kuat lan cukup hard.

      Kita katon ing permukaan kanggo goresan, sudhut atos, utawa tandha liyane sing bisa dadi masalah. Kabeh wis ditindakake miturut aturan industri umum kaya ISO 2341. Kita njaga rekaman tes kanggo saben kumpulan supaya kita bisa nglacak mengko.

      Sawise ngliwati priksa kasebut, pin CNC Machined Clevis Machen apik kanggo kerja biasa utawa aplikasi angel sing kudu ditahan.

      Sesi Q & A

      P: Apa standar sing ditindakake CNC Clevis Clevis Pins tundhuk?

      A: Pin Cnc Machined Clevis Clevis kita diprodhuksi kanggo nyukupi spesifikasi kaya ISO 2341 utawa Ansi B18.8.1. Iki njamin dimensi konsisten kanggo diameter pin, sirah, lan bolongan, njamin pas lan selarat sing bisa dipercaya ing jemaah sampeyan.

      CNC Machined Clevis Pins


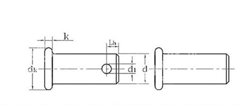
      Unit: mm
      d Max 3 4 5 6 8 10 12 14 16 18 20
      min 2.94 3.925 4.925 5.925 7.91 9.91 11.89 13.89 15.89 17.89 19.87
      DK Max 5 6 8 10 12 14 16 18 20 22 25
      min 4.7 5.7 7.64 9.64 11.57 13.57 15.57 17.57 19.48 21.48 24.48
      k nominal 1.5 2 2.5 3 3.5 4
      Max 1.625 2.125 2.625 3.125 3.65 4.15
      min 1.375 1.875 2.375 2.875 3.35 3.85
      D1 min 1.6 2 3.2 4 5 5
      Max 1.74 2.14 3.38 4.18 5.18 5.18
      Lh min 1.6 2.2 2.9 3.2 3.5 4.5 5.5 6 6 7 8



      Hot Tags: Pins Cnc Machined Clevis, China, Produsen, Supplier, Pabrik
      Kategori sing gegandhengan
      Kirim Pitakonan
      Mangga bebas menehi pitakon ing formulir ing ngisor iki. Kita bakal mangsuli sampeyan ing 24 jam.
      X
      We use cookies to offer you a better browsing experience, analyze site traffic and personalize content. By using this site, you agree to our use of cookies. Privacy Policy
      Reject Accept