Ngarep > Produk > Bolt > Countersunk Bolt > BOLT DEPLISI SQUE LENGKAP
        BOLT DEPLISI SQUE LENGKAP
        • BOLT DEPLISI SQUE LENGKAPBOLT DEPLISI SQUE LENGKAP
        • BOLT DEPLISI SQUE LENGKAPBOLT DEPLISI SQUE LENGKAP
        • BOLT DEPLISI SQUE LENGKAPBOLT DEPLISI SQUE LENGKAP

        BOLT DEPLISI SQUE LENGKAP

        Bolt Hlattersunk rendah gulu alun-alun sing diprodhuksi dening Xiaoguo® kuwat lan awet. Kualitas produk dijamin. Kita bisa ngatur bolts miturut kabutuhan khusus sampeyan. Sampeyan mung kudu nyedhiyakake gambar produk utawa dimensi lan bahan saka produk, lsp.
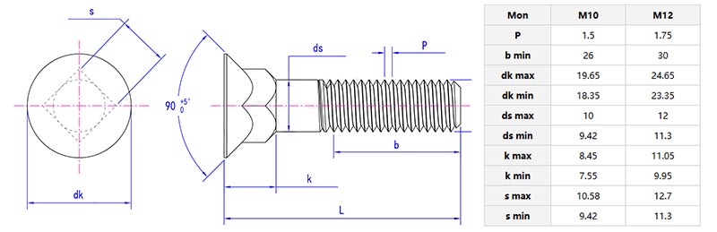
        Model:DIN 608-1981

        Kirim Pitakonan

        Deskripsi Produk

        SiraheBOLT DEPLISI SQUE LENGKAPwarata lan bisa dipasang kanthi materi kanggo nggawe lumahing warata. Bagean gulu alun-alun kurang sithik, kira-kira setengah saka dhuwur gulu alun biasa, lan dilebokake menyang bolongan alun-alun saka materi kanggo nyegah rotasi.

        Flat countersunk low square neck bolt

        Rincian Produk

        Bolt kasebut bisa digunakake kanggo ngamanake dek kayu ing kapal. Sampeyan bisa nggunakake kanggo ndandani teak menyang pigura baja, kanthi sirah kanthi lengkap ing kayu kanggo nyegah tripping. Bolt kasebut dikunci ing bolongan bencana baja kanggo nyegah rotasi nalika dikencengi saka ngisor dek. Iki bisa nyegah kayu sing larang ora rusak lan nggawe permukaan sing lancar lan aman sing ora bakal nyekel tali kasebut.


        TheBOLT DEPLISI SQUE LENGKAPbisa ngamanake panel watu abot kanggo pigura logam. Bolts bisa dipasang kanthi lengkap ing alur watu sing wis dilembur lan didhelikake kanthi lengkap. Bolts gulu alun-alun bisa dilebokake menyang alur bingkai. Iki ora mung bisa nanggung bobot watu kasebut nanging uga tetep katon rapi lan ora bakal ngeculake amarga gerakan jangka panjang bangunan.

        Parameter Produk


        Flat countersunk low square neck bolt

        Fitur Produk

        TheBOLT DEPLISI SQUE LENGKAPluwih cendhek tinimbang gulu alun biasa lan cocog digunakake ing bahan tipis. Contone, nalika nginstal kothak distribusi sing digawe saka lembaran logam tipis, gulu persque sing kurang dilebokake ing bolongan alun-alun ing sheet, ora kaya gulu alun-alun ing sheet, sing bisa nembus lembaran ing mburi. Nalika nginstal bagean interior mobil, bisa ngirit ruang.


        Hot Tags: Bolt, China, Produsen, Pabrik, Pabrik, Pabrik
        Kategori sing gegandhengan
        Kirim Pitakonan
        Mangga bebas menehi pitakon ing formulir ing ngisor iki. Kita bakal mangsuli sampeyan ing 24 jam.
        X
        Kita nggunakake cookie kanggo menehi pengalaman browsing sing luwih apik, nganalisa lalu lintas situs lan nggawe konten pribadi. Kanthi nggunakake situs iki, sampeyan setuju kanggo nggunakake cookie. Kebijakan Privasi
        nolak Nampa