Ngarep > Produk > Nut > Tangan Screw The Nut > Alat Hardware Rolling Nut
        Alat Hardware Rolling Nut
        • Alat Hardware Rolling NutAlat Hardware Rolling Nut
        • Alat Hardware Rolling NutAlat Hardware Rolling Nut

        Alat Hardware Rolling Nut

        Njamin kepatuhan lan keamanan sistem. Produk bersertifikat XIAO GUO Hardware Tools Rolling Nut CE memenuhi standar sing ketat. Kacang kita direkayasa kanggo operasi jangka panjang sing bisa dipercaya ing lingkungan industri sing nuntut.

        Kirim Pitakonan

        Deskripsi Produk

        Spesifikasi Hardware Tools Rolling Nut kanggo piranti hardware utamane kalebu ukuran benang internal lan diameter njaba. Ukuran benang saka M2 nganti M8, sing paling umum kanggo perakitan lembaran logam tipis. Dhiameter njaba cocog karo benang kasebut - benang sing luwih cilik nganggo diameter sing luwih cilik, saengga cocog karo bolongan sing wis dibor kanthi bener. Sampeyan mung milih adhedhasar ukuran bolt sing bakal digunakake.

        Kelas sing prasaja: kelas standar lan kelas kekuatan dhuwur. Kelas standar bisa digunakake kanggo tugas biasa, kayata braket furnitur utawa casing elektronik. Kelas kekuatan dhuwur digawe saka bahan sing luwih kenthel, apik kanggo mesin utawa bagean sing kudu nahan kekuwatan luwih akeh tanpa slip.

        Saben kacang duwe spek lan kelas sing ditandhani ing label kemasan, saengga gampang milih sing bener. Ora coding rumit, mung nomer dhasar lan tembung. Piranti Keras Spesifikasi Rolling Nut lan sasmita nyakup kabutuhan karya lembaran logam sing paling umum, ora ana pilihan sing apik banget.

        Hardware Tools Rolling Nut

        Kontrol kualitas produk

        Kita miwiti mriksa bahan mentah. Saben batch logam dipriksa kanggo retak, penyok, utawa titik sing ringkih. Mung materi qualified nemu menyang produksi-iki minangka langkah pisanan kanggo njaga kualitas ing baris.

        Sajrone produksi, kita nindakake mriksa titik kanthi rutin. Kita katon ing akurasi thread pisanan; padha kudu pas bolts lancar tanpa panggonan nyenyet utawa ngeculke. Kita uga asring ngukur diameter lan kekandelan njaba kanggo mesthekake yen padha cocog karo spek standar. Perawatan permukaan uga dicenthang, supaya ora ana lapisan tipis utawa area sing ora kejawab sing bisa nyebabake karat.

        Sadurunge dikirim, conto acak saka saben batch ngliwati tes instalasi. Kita pencet menyang sheet metal lan nyoba yen padha nyekeli kuwat tanpa slipping. Kita uga mriksa goresan utawa deformitas permukaan. Hardware Tools Rolling Nut ngliwati langkah-langkah sing prasaja nanging ketat iki kanggo mesthekake yen bisa digunakake kanggo proyek perakitan saben dina.

        Sesi Q&A

        P: Apa bakal gampang teyeng ing wilayah sing lembab ing pesisir?

        A: Iku gumantung ing perawatan lumahing. Sing dilapisi seng bisa teyeng sawise 1-2 taun ing kelembapan sing dhuwur. Hot-dip galvanis utawa stainless steel luwih apik kanggo wilayah pesisir-bisa nolak kabut uyah lan Kelembapan kanggo 5-8 taun. Yen produk sampeyan digunakake ing njaba ruangan, disaranake milih stainless steel  Nut. Kita uga bisa nyedhiyani laporan test resistance karat kanggo referensi.  

        Hardware Tools Rolling Nut


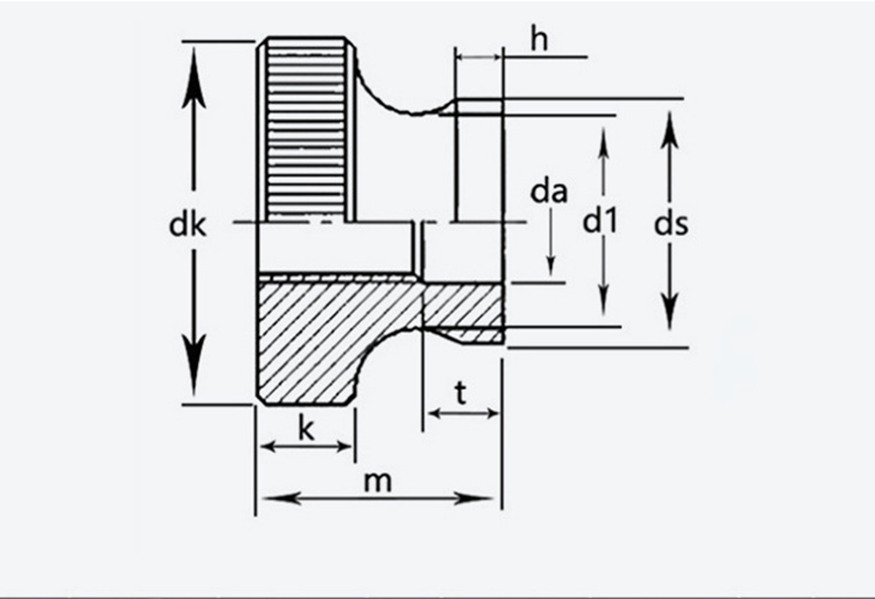
        ukuran Pitch Dhiameter njaba dhuwur k ds da d1 T h
        maks min maks min maks min maks min maks
        M3 0.5  11  10.7  6.64  2.8  5.7  3.5  3.2  5.2  1.2 
        M4 0.7  12  11.7  7.64  7.64  4.5  4.2  6.4  2.5  1.5 
        M5 0.8  16  15.7  10  96.6  10  9.64  5.5  5.5 
        M6 20  19.7  12  11.6  12  11.6  6.56  6.2  11  2.5 
        M8 1.25  24  23.7  16  15.6  16  15.6  8.86  8.5  13 
        M10 1.5 30 29.7 20 19.5 8 20 19.5 10.9 10.5 17.2 6.5 3.8
        Hot Tags: Alat Hardware Rolling Nut, China, Produsen, Supplier, Pabrik
        Kategori sing gegandhengan
        Kirim Pitakonan
        Mangga bebas menehi pitakon ing formulir ing ngisor iki. Kita bakal mangsuli sampeyan ing 24 jam.
        X
        Kita nggunakake cookie kanggo menehi pengalaman browsing sing luwih apik, nganalisa lalu lintas situs lan nggawe konten pribadi. Kanthi nggunakake situs iki, sampeyan setuju kanggo nggunakake cookie. Kebijakan Privasi
        nolak Nampa