Ngarep > Produk > Nut > Tangan Screw The Nut > Dhuwur Collar Knurled Rolling Nut
        Dhuwur Collar Knurled Rolling Nut
        • Dhuwur Collar Knurled Rolling NutDhuwur Collar Knurled Rolling Nut
        • Dhuwur Collar Knurled Rolling NutDhuwur Collar Knurled Rolling Nut

        Dhuwur Collar Knurled Rolling Nut

        Investasi ing akurasi lan dhukungan sing langgeng. Nut Rolling Knurled High Collar Knurled XIAO GUO sing awet dibangun kanggo ketahanan. We bali produk kita karo dhuwur Collar Knurled Rolling Nut babar pisan 2 taun, menehi kapercayan lan ngurangi total biaya saka kepemilikan.

        Kirim Pitakonan

        Deskripsi Produk

        Sampeyan mbutuhake sertifikat inspeksi adat utawa kualitas sing wis direkam dhewe kanggo High Collar Knurled Rolling Nuts, sing bisa diwenehake kanthi gratis nalika sampeyan nggawe pesenan. kita bisa nyedhiyani gratis nalika sampeyan nggawe pesenan. Sertifikat ora ana konten sing apik, mung informasi dhasar sing dibutuhake.

        Iki kalebu rincian kaya nomer batch, jinis bahan mentah, metode perawatan permukaan, lan asil tes utama. Tes kasebut nyakup akurasi benang, konsistensi ukuran, lan data tahan korosi saka eksperimen sing cocog. Saben sertifikat duwe kode traceability unik, supaya sampeyan bisa verifikasi keasliane lan mriksa rincian test yen perlu.

        Dokumen kasebut nggunakake basa sing prasaja, ora ana istilah teknis sing rumit. Iki cocog karo standar industri umum lan diakoni kanggo umume kiriman internasional. Mung supaya kita ngerti sampeyan perlu iku nalika pesenan, lan kita bakal kalebu karo layang High Collar Knurled Rolling Nut Panjenengan. Ora ana biaya tambahan utawa prosedur sing mboseni kanggo layanan iki.

        Panganggone produk

        Iki utamané dipigunakaké kanggo nambah bolongan Utas menyang sheet metal tipis tanpa kacang ekstra. Sampeyan bakal nemokake ing manufaktur elektronik-kaya komponen sing dipasang ing casing piranti utawa ndandani panel logam ing komputer lan printer. Kerjane ing kene amarga siram, ora njupuk papan ekstra ing piranti.

        Iku uga umum ing perakitan Furnitur. Buruh digunakake kanggo masang krenjang logam kanggo pigura kabinèt utawa minger laci aman kanggo ril logam. Ing bengkel cilik, bisa digunakake kanggo proyek lembaran logam khusus, kayata kothak alat bangunan utawa rak logam sing mbutuhake pengikat sing kuat lan dipercaya.

        Penggemar DIY uga nggunakake, kanggo tugas kaya ndandani alat kebon logam utawa nggawe kerajinan logam cilik. Iku apik kanggo proyek apa wae sing sampeyan butuh bolongan ing logam tipis nanging ora pengin ngelas utawa nggunakake hardware gedhe. Dhuwur Collar Knurled Rolling Nut pas paling cahya kanggo medium sheet metal fastening kabutuhan, ora repot ekstra karo pribadi rumit.

        High Collar Knurled Rolling Nut

        Sesi Q&A

        P: Apa yen sawetara produk rusak sawise pangiriman?

        A: Pisanan, njupuk foto utawa video saka produk risak lan ngirim menyang kita ing 7 dina saka panrimo. Kita bakal mriksa masalah kasebut kanthi cepet. Yen masalah kualitas saka produksi kita, kita bakal ngirim panggantos gratis. Biaya pengiriman panggantos bakal ditanggung dening kita. Kita arang duwe masalah kaya mengkono amarga saben batch ngliwati pengawasan sing ketat, nanging kita bakal nangani sawise-sales kanthi bener supaya ora kena pengaruh sampeyan.  

        High Collar Knurled Rolling Nut


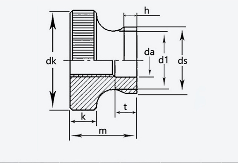
        ukuran Pitch Dhiameter njaba dhuwur k ds da d1 T h
        maks min maks min maks min maks min maks
        M3 0.5  11  10.7  6.64  2.8  5.7  3.5  3.2  5.2  1.2 
        M4 0.7  12  11.7  7.64  7.64  4.5  4.2  6.4  2.5  1.5 
        M5 0.8  16  15.7  10  96.6  10  9.64  5.5  5.5 
        M6 20  19.7  12  11.6  12  11.6  6.56  6.2  11  2.5 
        M8 1.25  24  23.7  16  15.6  16  15.6  8.86  8.5  13 
        M10 1.5 30 29.7 20 19.5 8 20 19.5 10.9 10.5 17.2 6.5 3.8
        Hot Tags: Nut Rolling Knurled Collar Dhuwur, China, Produsen, Supplier, Pabrik
        Kategori sing gegandhengan
        Kirim Pitakonan
        Mangga bebas menehi pitakon ing formulir ing ngisor iki. Kita bakal mangsuli sampeyan ing 24 jam.
        X
        Kita nggunakake cookie kanggo menehi pengalaman browsing sing luwih apik, nganalisa lalu lintas situs lan nggawe konten pribadi. Kanthi nggunakake situs iki, sampeyan setuju kanggo nggunakake cookie. Kebijakan Privasi
        nolak Nampa