Ngarep > Produk > Bolt > Hexagon Kepala Flange Bolt > Gedhe Hexagon Kepala Flange bolt
        Gedhe Hexagon Kepala Flange bolt
        • Gedhe Hexagon Kepala Flange boltGedhe Hexagon Kepala Flange bolt
        • Gedhe Hexagon Kepala Flange boltGedhe Hexagon Kepala Flange bolt
        • Gedhe Hexagon Kepala Flange boltGedhe Hexagon Kepala Flange bolt

        Gedhe Hexagon Kepala Flange bolt

        Gedhe Hexagon Head Flange bolt duwe Kapadhetan dhuwur lan kekuatan, bisa tahan macem-macem impact, lan nyedhiyani support stabil. Sampeyan bisa teka menyang Xiaoguo® ing China kanggo takon babagan iki. Kita duwe macem-macem ukuran kanggo sampeyan milih, saengga bisa nyukupi kabutuhan sampeyan. Babagan rega, mangga ngandhani babagan jumlah sing sampeyan butuhake lan bisa menehi penawaran sing jelas.
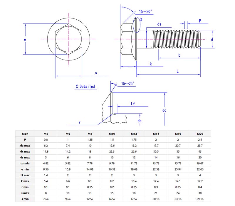
        Model:GB/T 5789-1986

        Kirim Pitakonan

        Deskripsi Produk

        Mbangun kandhang?Gedhe Hexagon Kepala Flange boltbisa nyegah trusses gendheng saka sagging. Fungsi flange padha karo gasket internal, nyegah kayu saka retak. Sirah heksagonal bisa ngencengi kanthi kuat sanajan kunci sing karat.

        Rincian produk lan paramèter

        Large Hexagon Head Flange bolts

        Bolts Hexagon Head gedhe digunakake ing industri manufaktur otomotif. Contone, ing perakitan sasis mobil, sasis kudu tahan macem-macem getaran lan impact nalika mobil lagi obah. Bolts disambungake ing macem-macem komponen sasis sing bisa njamin stabilitas struktur sasis, banjur mobil iki luwih aman lan stabil sak nyopir. Kajaba iku, uga digunakake nalika nginstal sawetara komponen mesin mobil kanggo mesthekake yen sambungan saka komponen ora loosen sak operasi engine.

        Gedhe Hexagon Kepala Flange boltuga digunakake ing perakitan peralatan mechanical gedhe. Contone, nalika nerangake crushers digunakake ing tambang lan alat mesin Gedhe ing pabrik, gedhe Hexagon Head flange bolt asring digunakake. Piranti kasebut bakal kena pengaruh gedhe sajrone operasi. Dheweke bisa nyambungake kabeh komponen utama peralatan kasebut kanthi rapet, mesthekake yen peralatan kasebut ora bakal gagal amarga komponen sing longgar sajrone operasi, saéngga nambah stabilitas lan efisiensi kerja peralatan kasebut.


        Large Hexagon Head Flange bolts

        titik sade produk

        Plat Flange Gedhe sakaGedhe Hexagon Kepala Flange boltnambah area kontak karo obyek sing disambungake. Nalika sampeyan ngencengi, kekuwatane bisa disebarake kanthi luwih merata. Mangkono, sambungan banget tenan lan ora gampang kanggo loosen. Bisa luwih tahan geter, saéngga nyuda pangopènan sakteruse.

        Hot Tags: Baut Flange Kepala Hexagon Gedhe, China, Produsen, Supplier, Pabrik
        Kategori sing gegandhengan
        Kirim Pitakonan
        Mangga bebas menehi pitakon ing formulir ing ngisor iki. Kita bakal mangsuli sampeyan ing 24 jam.
        X
        Kita nggunakake cookie kanggo menehi pengalaman browsing sing luwih apik, nganalisa lalu lintas situs lan nggawe konten pribadi. Kanthi nggunakake situs iki, sampeyan setuju kanggo nggunakake cookie. Kebijakan Privasi
        nolak Nampa