Ngarep > Produk > Nut > T-nut > Muat Kacang Weld Gaya T Stabil
        Muat Kacang Weld Gaya T Stabil
        • Muat Kacang Weld Gaya T StabilMuat Kacang Weld Gaya T Stabil
        • Muat Kacang Weld Gaya T StabilMuat Kacang Weld Gaya T Stabil
        • Muat Kacang Weld Gaya T StabilMuat Kacang Weld Gaya T Stabil
        • Muat Kacang Weld Gaya T StabilMuat Kacang Weld Gaya T Stabil
        • Muat Kacang Weld Gaya T StabilMuat Kacang Weld Gaya T Stabil

        Muat Kacang Weld Gaya T Stabil

        Muat kacang las gaya T sing stabil nawakake resistensi sing unggul kanggo geter lan loosening dibandhingake karo akeh jinis kacang liyane nalika dilas. Manufaktur kualitas, didhukung dening manufaktur sing dipercaya, dadi pusat kanggo Xiaoguo®, njamin produk sing cocog karo standar internasional.
        Model:JIS B1196-3.2-1994

        Kirim Pitakonan

        Deskripsi Produk

        Boten kados bolts sing perlu kanggo njaluk menyang loro-lorone, mbukak gaya T stabil kacang weld mung perlu akses saka sisih siji-loro kanggo welding lan banjur sijine ing fasteners. Sing migunani banget kanggo bagean sing ditutup utawa bagean sing bentuke kothak.

        Kajaba iku, flange gedhe mbantu nutup lembaran logam. Yen sampeyan nyeleh sealant utawa gaskets ing lumahing flange sadurunge welding, kacang-kacangan iki bakal bantuan kanggo mbentuk fitting nyenyet, sambungan anti bocor.

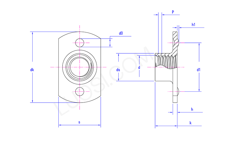
        Mon M4 M5 M6 M8 M10 M12
        P 0.7 0.8 1 1︱1.25 1.25︱1.5 1.5︱1.75
        dk maks 20.5 20.5 23.7 23.7 31 33.2
        dk min 19.5 19.5 22.3 22.3 29 30.8
        s maks 12.25 12.25 14.3 14.3 19.4 21.5
        s min 11.75 11.75 13.7 13.7 18.6 20.5
        ds maks 5.9 6.7 8.3 10.2 13.2 15.2
        ds min 5.4 6.2 7.8 9.5 12.5 14.5
        k maks 5.9 6.9 7.5 9 10.6 11.8
        k min 5.1 6.1 6.5 8 9.4 10.2
        h maks 1.4 1.4 1.85 1.85 2.3 2.3
        h min 1 1 1.35 1.35 1.7 1.7
        d0 maks 3.25 3.25 3.25 3.25 4.05 4.05
        d0 min 2.75 2.75 2.75 2.75 3.55 3.55
        d1 maks 15.2 15.2 17.25 17.25 22.3 24.3
        d1 min 14.8 14.8 16.75 16.75 21.7 23.7

        Skenario sing ditrapake:


        Bahan sing paling umum lan paling murah kanggo kacang las gaya T sing stabil yaiku baja karbon medium-kaya AISI 1008, 1010, 1018. Baja jenis iki bisa digunakake kanggo welding, nduweni kekuatan sing apik, gampang dibentuk, lan ora larang regane.

        Kacang las gaya T gaya baja karbon sing bisa digunakake kanggo industri biasa, ing njero ruangan utawa ing papan sing rada karat-utamane yen duwe lapisan pelindung. Sifat-sifat kekuatan kasebut tegese bisa nangani gaya geser lan tarik sing dibutuhake kanggo proyek pengikat sing angel nalika dilas.

        Load-Stable Load-Stable T-Style weld nuts

        Instruksi Instalasi:

        Kanggo entuk kekuatan sing paling apik saka kacang las gaya T sing stabil, sampeyan kudu ngontrol setelan welding-saiki, wektu, tekanan-persis kaya sing ditemtokake kanggo materi lan kekandelan kacang.

        Penting banget kanggo nyiapake permukaan kanthi bener: resik, ora ana lenga ing logam. Desain kasebut dhewe mbantu ngarahake arus las liwat proyeksi, nanging nyetel mesin kanthi bener lan nggawe operator ngerti apa sing ditindakake minangka kunci. Sing carane njaluk konsisten, welds kuwat ing saben kacang T-Style.



        Hot Tags: Muat Kacang Weld Gaya T Stabil, China, Produsen, Supplier, Pabrik
        Kategori sing gegandhengan
        Kirim Pitakonan
        Mangga bebas menehi pitakon ing formulir ing ngisor iki. Kita bakal mangsuli sampeyan ing 24 jam.
        X
        Kita nggunakake cookie kanggo menehi pengalaman browsing sing luwih apik, nganalisa lalu lintas situs lan nggawe konten pribadi. Kanthi nggunakake situs iki, sampeyan setuju kanggo nggunakake cookie. Kebijakan Privasi
        nolak Nampa