Ngarep > Produk > Bolt > T-bolt > Suda shank t bolt karo bolongan
        Suda shank t bolt karo bolongan
        • Suda shank t bolt karo bolonganSuda shank t bolt karo bolongan
        • Suda shank t bolt karo bolonganSuda shank t bolt karo bolongan
        • Suda shank t bolt karo bolonganSuda shank t bolt karo bolongan

        Suda shank t bolt karo bolongan

        Ngurangi shank t bolt kanthi bolongan luwih entheng lan luwih gampang dioperasi. Dheweke nyedhiyakake fleksibel kanggo nyambungake kabel, rantai utawa komponen liyane. Bolts pabrik Xiaoguo® tundhuk standar eksekusi CNS 4566-1981. Produk kita duwe uji coba semprotan uyah lan bisa nyukupi kabutuhan.
        Model:CNS 4566-1981

        Kirim Pitakonan

        Deskripsi Produk

        Kepala suda Shank T bolt kanthi bolongan padha karo rhombus lan bisa macet ing T-slot supaya bisa tetep lan ora muter. Sisih tengah-tengah meneng wis dadi luwih tipis, yaiku "Rod Shunken", lan bolongan uga dilatih ing sisih ngisor skru. Interior kasebut kothong.

        Fitur:

        Suda Shank T-Bolt wis diinstal ing tracker tanduran tématan solar. Yen sampeyan kudu nyetel panel solar saben dina, sampeyan bisa nggunakake amarga bisa nahan macem-macem cuaca. Badan cekak sing langsing bisa nglawan nyukur angin. Bolongan dikunci ing sudut pakai katun. Ing sandstorme gurun, bisa nyegah bolts saka loosening.

        Suda Shank T-Bolt kanthi bolongan wis diinstal ing piranti pamicara konser. Konser biasane mbutuhake gantung subwoofer abot, lan nggunakake bisa nambah safety. Nangani Bolét Lightweight ndadekake hoisting luwih gampang. Bolongan bolt bisa nyambung karo tali safety baja. Penutur bisa dadi 60 kaki tetep kaping pindho (udakara 18 meter) ing ndhuwur wong akeh.

        Ngurangi Shank T-Bolts sing suda digunakake ing sistem penundaan mobil racing formula. Mobil balap biasane kudu ngganti lengen garpu ing tengah-tengah balapan. Gagang bolt bisa nyuda bobote. Kabel bolongan bisa dilengkapi karo pin cepet-cepet. Miturut aturan situs tertutup, staf bisa ngganti bagean sajrone 5 detik.

        Suda Shank T Lolt kanthi desain bolongan yaiku fitur sing paling penting. Nalika manufaktur sawetara peralatan mekanik cilik, ruang internal peralatan cilik yaiku kompak, lan bolong biasa banget kanggo ngatasi kekuwatan sambungan, ngidini macem-macem komposisi peralatan kasebut.

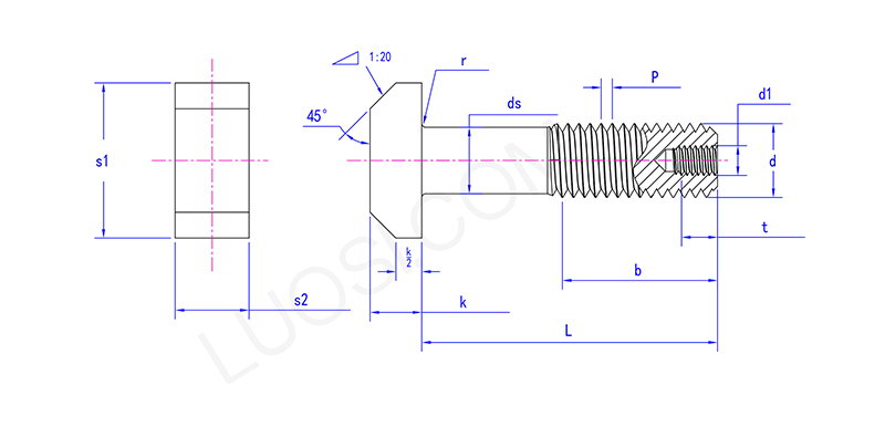
        Parameter:

        Mon M42 M48 M56 M64 M72 M80 M90 M100
        P 4.5 5 5.5 6 6 6 6 6
        D1 M12 M12 M16 M16 M16 M20 M20 M20
        t 22 22 26 26 26 33 33 33
        k 26 30 35 40 45 50 55 62
        S2 42 48 56 64 72 80 90 100
        S1 80 88 102 115 128 140 155 170
        r 2 2 3 3 4 4 4 5
        DS max 34 38 45 50 55 65 70 80
        DS min 33 37 44 49 53.8 63.8 66.8 78.8




        Hot Tags: Suda shank t bolt karo bolongan, china, produsen, supplier, pabrik
        Kategori sing gegandhengan
        Kirim Pitakonan
        Mangga bebas menehi pitakon ing formulir ing ngisor iki. Kita bakal mangsuli sampeyan ing 24 jam.
        X
        Kita nggunakake cookie kanggo menehi pengalaman browsing sing luwih apik, nganalisa lalu lintas situs lan nggawe konten pribadi. Kanthi nggunakake situs iki, sampeyan setuju kanggo nggunakake cookie. Kebijakan Privasi
        nolak Nampa