Bolting welang ngadhepi kekuatan kekuatan dhuwur minangka pengikat khusus sing digawe kanggo nyambung kanthi kuat lan gampang kanggo lembaran utawa struktur logam kanthi gampang. Nduwe ramalan-biasane cincin utawa cilik-cilik-ing sisih sing ndemek logam, lan iki digawe kanthi ukuran.
Yen sampeyan ngelas, akeh fokus listrik sing akeh kanggo ramalan kasebut. Sing nggawe logam kasebut ana sing panas banget, cair, banjur adhem, banjur dadi weld. Iki weld nahan welding pengurangan pengurangan kekuatan dhuwur ing potongan sing digunakake.
Proyek utama ramalan wajah sing dhuwur yaiku nggawe titik lampiran adhedhasar basis, basis sing bisa nahan. Sampeyan butuh peralatan wasing ramalan khusus kanggo weld.
Elektronisasi Pusing mudhun lan ngirim akeh listrik liwat ramalan bolt lan potongan logam sing digunakake. Cara bolt welding digawe tegese mung ramalan kasebut ora ana liyane. Nalika adhem, dheweke dadi ikatan logam sing kuwat, lan logam ing saubenge ora bakal mbengkongake utawa dialami akeh.
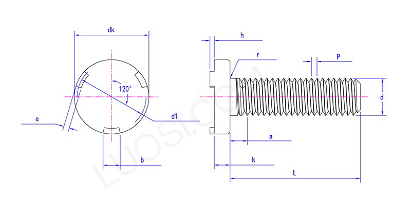
| Mon | M5 | M6 | M8 | M10 |
| P | 0.8 | 1 | 1.25 | 5 |
| DK Max | 12.4 | 14.4 | 16.4 | 20.4 |
| DK Min | 11.6 | 13.6 | 15.6 | 19.6 |
| k max | 2 | 2.2 | 3.2 | 4.2 |
| K Min | 1.6 | 1.8 | 3.2 | 4.2 |
| lan max | 2.25 | 2.75 | 2.25 | 2.75 |
| E min | 1.75 | 2.25 | 1.75 | 2.25 |
| b max | 3.3 | 4.3 | 5.3 | 6.3 |
| B min | 2.7 | 3.7 | 4.7 | 5.7 |
| H max | 0.8 | 0.9 | 1.1 | 1.3 |
| H min | 0.6 | 0.75 | 0.9 | 1.1 |
| D1 Max | 10 | 11.5 | 14 | 17.5 |
| D1 min | 9 | 10.5 | 13 | 16.5 |
| R min | 0.2 | 0.25 | 0.4 | 0.4 |
| r max | 0.6 | 0.7 | 0.9 | 1.2 |
| max | 3.2 | 4 | 5 | 5 |

Bolting welasan ramalan pengurangan kekuatan sing dhuwur duwe bagean-bagean sing biasane ditandur utawa dents cilik - ing sisih sing bakal dilas. Yen sampeyan ngelas, akeh listrik sing fokus ing bagean sing ditimbulake. Dheweke cair langsung nglawan logam dhasar, dene elektroda meneting mudhun.
Iki nggawe kandhang sing kuwat, kenceng sing nahan bolt ing papan kanthi becik. Dheweke kerja gedhe kanggo kerja logam sheet.