Ngarep > Produk > Bolt > Bulat Kepala Bolt > Anchor Secure Eye Bolt
        Anchor Secure Eye Bolt
        • Anchor Secure Eye BoltAnchor Secure Eye Bolt
        • Anchor Secure Eye BoltAnchor Secure Eye Bolt

        Anchor Secure Eye Bolt

        Kabeh Anchor Secure Eye Bolts sing diprodhuksi dening Xiaoguo ngalami tes sing ketat sadurunge diekspor, lan perusahaan bisa nyedhiyakake kanthi andal. Mitra dipercaya Xiaoguo, lan para panuku bisa tuku kanthi yakin.

        Kirim Pitakonan

        Deskripsi Produk

        Sertifikat Inspeksi Mutu

        Dadi, yen sampeyan entuk sertifikat inspeksi kualitas kanggo Anchor Secure Eye Bolt, dhasar iki minangka dokumen sing dilengkapi produk sing nuduhake yen cocog karo standar tartamtu kaya ASTM A489. Dokumen iki biasane menehi katrangan babagan bahan apa sing digunakake, mriksa manawa kabeh dimensi wis bener, konfirmasi yen wis lulus tes beban, lan verifikasi perawatan permukaan. Sertifikat kasebut biasane asale saka laboratorium independen sing akreditasi kanggo nindakake tes jinis iki. Apa tenan migunani iku ngijini sampeyan nglacak prodhuk bali menyang kumpulan Manufaktur sawijining, kang menehi kapercayan sing bolt mripat bener aman digunakake kanggo operasi ngangkat lan bakal nindakake kaya iku mestine kanggo nalika sampeyan nggunakake ing situs proyek.

        Anchor Secure Eye Bolt

        Panganggone produk

        Dadi, Anchor Secure Eye Bolt minangka salah sawijining komponen sing bisa digunakake ing pirang-pirang kahanan - utamane sampeyan bakal weruh yen digunakake kanggo ngangkat barang abot, kanggo nyiapake rigging, utawa mung kanggo jangkar barang kanthi aman. Cara sing dirancang, kanthi mripat bunder ing salah sawijining ujung, nggawe gampang banget kanggo nyambungake macem-macem jinis piranti nyambungake. Apa sampeyan kudu mbukak kabel liwat iku, dasi mati tali, utawa masang shackle, mripat sing menehi titik ngalangi kanggo bisa karo. Pramila sampeyan bakal nemokake iki digunakake kabeh wektu ing situs konstruksi, ing dermaga lan prau, lan ing pabrik - ing ngendi wae wong kudu ngamanake muatan utawa mindhah peralatan kanthi aman.

        Sesi Q&A

        Pitakonan: Apa beban kerja sing aman kanggo Anchor Secure Eye Bolt? Beban sing aman kanggo  bolt gumantung saka ukuran lan jinise. Tansah mriksa grafik beban sing dirating kanggo sing spesifik sing sampeyan gunakake. Aja ngluwihi rating kasebut-njaga barang kasebut aman nalika sampeyan ngangkat barang.

        Anchor Secure Eye Bolt

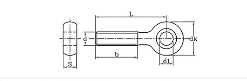
        mm
        Diameter benang
        d1
        dk
        s
        M6
        5 10.5 5.4
        M8
        6 13 7
        M10
        8 16 8.5
        M12
        10 19 10.5
        M14
        10 22 12

        Hot Tags: Anchor Secure Eye Bolt
        Kategori sing gegandhengan
        Kirim Pitakonan
        Mangga bebas menehi pitakon ing formulir ing ngisor iki. Kita bakal mangsuli sampeyan ing 24 jam.
        X
        Kita nggunakake cookie kanggo menehi pengalaman browsing sing luwih apik, nganalisa lalu lintas situs lan nggawe konten pribadi. Kanthi nggunakake situs iki, sampeyan setuju kanggo nggunakake cookie. Kebijakan Privasi
        nolak Nampa