Ngarep > Produk > Bagean riveting > Rivet Plastik > Ngembangake Klip Keling
        Ngembangake Klip Keling
        • Ngembangake Klip KelingNgembangake Klip Keling
        • Ngembangake Klip KelingNgembangake Klip Keling
        • Ngembangake Klip KelingNgembangake Klip Keling
        • Ngembangake Klip KelingNgembangake Klip Keling
        • Ngembangake Klip KelingNgembangake Klip Keling

        Ngembangake Klip Keling

        Klip keling sing ngembangake yaiku pengikat plastik sing dipasang kanthi nglebokake prong fleksibel liwat bolongan banjur misahakeXiaoguo® minangka pabrikan kanthi pengalaman profesional luwih saka sepuluh taun ing industri pengikat. Kita bisa ngirim ing wektu preduli saka ukuran pesenan.
        Model:QC/T 350-1999

        Kirim Pitakonan

        Deskripsi Produk

        Bahan sing paling umum kanggo klip paku keling sing bisa dipercaya yaiku Nilon 6/6 sing diperkuat kaca lan Acetal Copolymer (POM). Nylon 6/6 luwih kuwat lan luwih tahan panas. POM tetep bentuke kanthi apik, ora akeh goresan, lan tahan kanggo nggunakake bola-bali tanpa rusak.

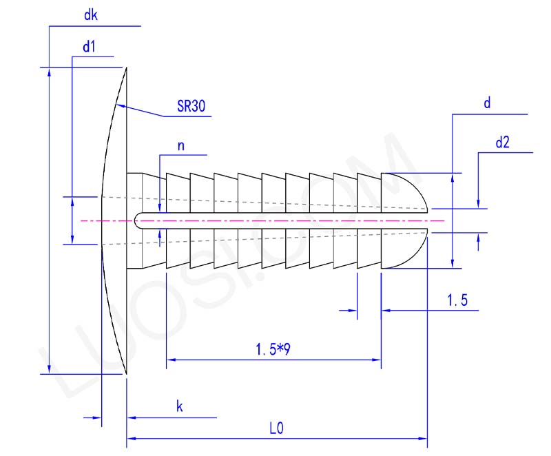
        expanding rivet clip parameter

        Mon
        Φ6 Φ8
        Φ10
        d maks
        6 8 10
        d min
        5.8 7.8 9.8
        dk maks
        16.2 16.2 18.2
        dk min
        15.8 15.8 17.8
        k maks
        1.6 1.6 2.1
        k min
        1.4 1.4 1.9
        L0
        20 20 22
        d1
        3 4 5
        d2
        1.5 2 3
        n
        1 1 1.5

        Plastik rekayasa iki nggawe manawa awak pin pamisah bisa digunakake kanthi apik sajrone stres mekanik lan kahanan sing angel. Ora kaya plastik sing luwih murah, ora gampang rusak.

        Pangopènan

        Ngramut klip rivet ngembangaken prasaja. Digawe saka plastik tahan karat, padha ora bakal teyeng, mbusak perlu kanggo agen anti-karat utawa lenga. Sadurunge digunakake, priksa manawa ana karusakan, kayata retak, deformasi, utawa brittleness utawa whitening saka cahya srengenge sing suwe. Panggantos gampang; ora ana alat khusus sing dibutuhake. Cukup tarik klip lawas kanthi sikil lan ganti nganggo sing anyar. Gampang digunakake. Priksa kondisi klip keling kanthi rutin lan ganti kanthi cepet.

        Apa sampeyan tahan kanggo degradasi UV kanggo panggunaan ruangan sing suwe?

        Klip keling ngembangake standar kita duwe blocker UV sing dibangun nalika kita nggawe. Malah yen kena sinar srengenge nganti suwe, ora bakal garing, dadi rapuh utawa gampang retak.

        Perlindhungan UV kasebut ndadekake dheweke nindakake pakaryan, tetep kuwat, fleksibel, lan nyenyet, sanajan ing njaba ruangan sing kasar. Coba traktor, penggali, panel surya, peralatan pertanian, lan sapiturute. Dibandhingake karo plastik biasa tanpa, iki mung tahan suwe tanpa sampeyan kudu repot.


        Hot Tags: Ngembangake Rivet Clip, China, Produsen, Pemasok, Pabrik
        Kategori sing gegandhengan
        Kirim Pitakonan
        Mangga bebas menehi pitakon ing formulir ing ngisor iki. Kita bakal mangsuli sampeyan ing 24 jam.
        X
        Kita nggunakake cookie kanggo menehi pengalaman browsing sing luwih apik, nganalisa lalu lintas situs lan nggawe konten pribadi. Kanthi nggunakake situs iki, sampeyan setuju kanggo nggunakake cookie. Kebijakan Privasi
        nolak Nampa