Fitur alami saka plastik ngembangake klip Rivet Rivet sing apik kanggo panggunaan khusus, spesifik. Amarga ora nganakake listrik, pancen penting banget ing kothak listrik lan wilayah voltase dhuwur. Ora nggawe sparks, sing pancen dibutuhake ing papan sing bisa kedadeyan (atex zona).
Sampeyan uga ora bisa nindakake tanpa ing ruangan MRI lan elektronik sensitif, papan ing ngendi malah kolom Magnetik cilik saka pin logam mung ora diidini.

Plastik sing apik banget ngembangake klip Rivet rivet ngliwati tes sing ketat kanggo mesthekake bisa digunakake kanthi terus-terusan. Tes iki priksa prekara-prekara kanthi ukuran ukuran, pira bisa njupuk, kanthi cara bisa digunakake, lan yen bisa digunakake karo bahan kimia sing beda.
Pinter katup plastik XIAoguoO® diprodhuksi menyang standar industri nggunakake bahan sing cocog karo syarat sing ditemtokake, njamin kinerja. Padha kanthi aman lan aman nyekel obyek sing aman kanggo tujuan sing dituju. Dibandhingake karo pinter katup logam, plastik plastik luwih tahan tahan karat lan karat.

Mon
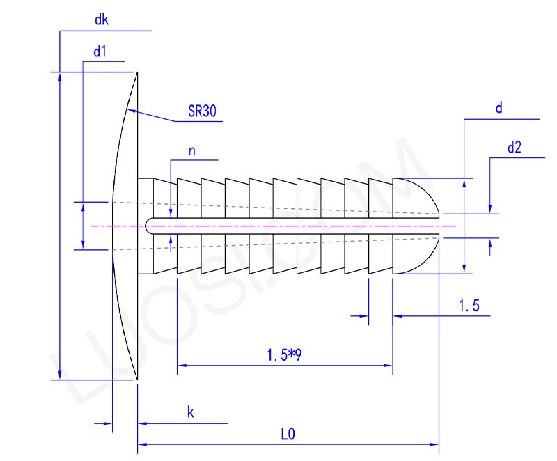
F6
F8
Φ10
d max
6
8
10
dmin
5.8
7.8
9.8
DK Max
16.2
16.2
18.2
DK Min
15.8
15.8
17.8
k max
1.6
1.6
2.1
K Min
1.4
1.4
1.9
L0
20
20
22
D1
3
4
5
D2
1.5
2
3
n
1
1
1.5
Klip rivet plastik standar kita digawe saka bahan sing cocog karo peraturan internasional utama, kalebu ROH lan tekan. Kita uga nawakake versi sing disertifikasi FDA kanggo aplikasi kontak panganan. Sertifikasi selaras kasedhiya nalika panjaluk.
Bahan kita dipilih kanthi tliti miturut standar global nalika produksi, njamin selaras karo standar kualitas sing relevan lan njamin ekspor lan nggunakake ekspor ing saindenging jagad.