Bolt mripat palsuiku fasteners kuwat digunakake kanggo ngangkat, rigging, lan anchoring. Padha duwe bunder "mripat" daur ulang ing siji mburi lan batang Utas ing liyane. Iki ngidini sampeyan masang kabel, tali, utawa ranté kanthi aman. Dheweke digawe kanggo nangani beban obah lan stasioner. Sampeyan bakal weruh akeh ing konstruksi, karya laut, lan logistik.
Ana macem-macem jinis, kayata bolt bahu, bolt mesin, lan mata sekrup. Saben jinis bisa digunakake kanggo ukuran beban lan lingkungan sing beda. Desaine angel lan dipercaya, saengga penting kanggo njaga barang-barang kasebut kanthi aman lan bisa digunakake kanthi apik ing setelan industri.
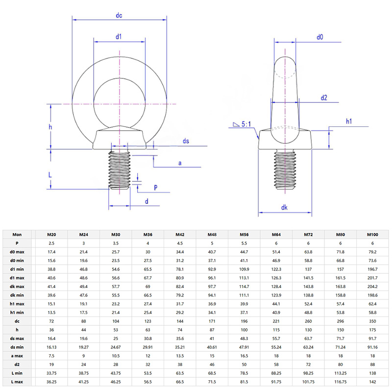
Bolt mripat palsuteka ing ukuran Utas kiro-kiro saka M6 kabeh cara nganti M48, lan lagi dirating kanggo kathah antarane 50kg kanggo liwat 20 ton. Yen sampeyan nggunakake jinis Pundhak, mung elinga - sampeyan kudu ngawut-awut kabeh kanggo nggayuh rating bobot maksimal. Mripat meneng? Sing luwih apik kanggo proyek sing luwih entheng. Tansah priksa manawa dheweke duwe sertifikasi kaya DIN, ISO, utawa ASTM - mula sampeyan ngerti yen dheweke sah.
Babagan kaya ukuran mripat, dawa shank, lan jarak benang gumantung saka pakaryan sampeyan, mula priksa silang grafik bobot supaya ora cocog. Perlu sing aneh kanggo proyek khusus? Sawetara panyedhiya malah bakal ngapiki ukuran utawa benang kanggo sampeyan. Cukup aja ngliwati rincian nalika pesen.

P: Apa kapasitas bobot maksimal sampeyanbolt mripat palsu, lan carane nemtokake?
A: Pira bobot sing bisa ditahan pancen ana telung perkara: saka apa digawe, sepira kandel, lan cara digawe. Njupuk baja karbon palsu, contone - padha luwih angel tinimbang versi prangko utawa mbengkongaken lan bisa nangani ngendi wae saka 0,25 ton nganti 11 ton. Working Load Limit (WLL) - sing bobot aman max padha bisa nangani - wis figured metu nggunakake aturan kaya ASME B30.26 utawa DIN 580. Aturan iki dibangun ing bantal safety, biasane rasio 4: 1 utawa 5: 1, supaya padha cara kuwat saka nomer tabet. Sejatine, yen dirating kanggo 1 ton, iku bener dibangun kanggo nangani 4 utawa 5 ton sadurunge soko dadi miring.