Ngarep > Produk > Nut > Kacang Bulat > Kacang bunder slotted kanthi lengkap
      Kacang bunder slotted kanthi lengkap
      • Kacang bunder slotted kanthi lengkapKacang bunder slotted kanthi lengkap
      • Kacang bunder slotted kanthi lengkapKacang bunder slotted kanthi lengkap

      Kacang bunder slotted kanthi lengkap

      Kacang bumbung slotted kanthi lengkap dirancang karo notches ing pinggir njaba kanggo nggunakake pin spanner. Saiki, akeh pelanggan sing tuku produk kasebut saka China Xiaoguo amarga padha larang regane lan duwe sumber sing stabil.

      Kirim Pitakonan

      Deskripsi Produk

      Pandhuan panggunaan produk

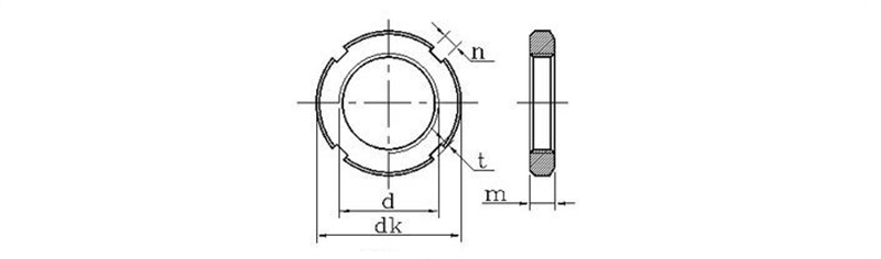
      Kacang bumbung slotted kanthi lengkap - ditetepake miturut standar kayata Din 546 lan biasane digunakake kanggo entuk sambungan fastening sing aman lan bisa tahan geter. Fitur utama kacang iki ana ing slot sing dipotong ing salah sawijining mburi nut. Mangkene carane nggunakake: pisanan, ngawut-awut nut menyang bolt utawa kandang sing wis dilatih lan kenceng menyang posisi sing dikarepake. Sawise ngencengi, nyelarasake slot nganggo bolongan ing batang bolt. Pungkasane, masang garis sing mbukak (mesin cuci) utawa safety saka bolongan lan bolongan bolop sing didadekakesun, banjur bengkok pin kanggo njamin pas sing aman. Mangkono, ing ngarsane geter, nut kasebut ora bakal ngeculke.

      Kemasan Product

      Adhedhasar asil penyelidikan, kita nawakake sawetara kacang-kacangan sing digambar kanthi lengkap, sing cocog kanggo aplikasi industri. Kemasan ing kantong utawa kothak yaiku metode sing umum lan praktis. Saben kantong biasane ngemot sawetara kacang, kayata 100 saben tas. Formulir sing ditanduri iki trep transportasi, ngetung persediaan, lan distribusi ing bengkel utawa garis pemasangan. Kemasan biasane transparan utawa duwe label, ngidini sampeyan kanthi cepet ngerteni jinis lan ukuran kacang-kacangan. Yen sampeyan produsen utawa sing tuku akeh, kita uga bisa nyedhiyakake jumlah karton sing luwih gedhe utawa ngatur bungkusan miturut syarat sampeyan. Iki mbantu nyuda biaya lan nggawe pasokan proyek sampeyan bisa mlaku kanthi lancar.

      Sesi Q & A

      Bahan apa sing sampeyan temenan slotted slotted sampeyan biasane digawe saka?

      A: Kita biasane nggawe kacang saka baja karbon kanggo panggunaan umum. Kita uga duwe pilihan steel stainless (gelar 304 lan 316) Yen sampeyan butuh barang sing ngrusak teyeng, lan tembaga kanggo aplikasi non-magnet. Cukup pilih bahan kanggo kacang-kacangan adhedhasar lingkungan lan kebutuhan mekanik khusus.

      Fully Threaded Slotted Round Nuts


      Unit: mm
      d * p DK m n t Kualitas saben 1000 Products≈kz d * p DK m n t Kualitas saben 1000 Produk≈kg
      Max min Max min Max min Max min
      M10 * 1 22 8 4.3 4 2.6 2 16.82 M64 * 2 95 12 8.36 8 4.25 3.5 351.9
      M12 * 1.25 25 21.58 M65 * 2 95 342.4
      M14 * 1,5 28 26.82 M68 * 2 100 10.36 10 4.75 4 380.2
      M16 * 1,5 30 5.3 5 3.1 2.5 28.44 M72 * 2 105 15 518
      M18 * 1,5 32 31.19 M75 * 2 105 477.5
      M20 * 1.5 35 37.31 M76 * 2 110 562.4
      M22 * 1.5 38 10 54.91 M80 * 2 115 608.4
      M24 * 1.5 42 68.88 M85 * 2 120 640.6
      M25 * 1,5 42 68.88 M90 * 2 125 18 12.43 12 5.75 5 796.1
      M27 * 1,5 45 75.49 M95 * 2 130 834.7
      M30 * 1.5 48 82.11 M100 * 2 135 873.3
      M33 * 1,5 52 6.3 6 3.6 3 93.32 M105 * 2 140 895
      M35 * 1,5 52 84.99 M110 * 2 150 14.43 14 6.75 6 1076
      M36 * 1,5 55 100.3 M115 * 2 155 22 1369
      M39 * 1,5 58 107.3 M120 * 2 160 1423
      M40 * 1.5 58 109.5 M125 * 2 165 1477
      M42 * 1,5 62 121.8 M130 * 2 170 1531
      M45 * 1,5 68 153.6 M140 * 2 180 26 1937
      M48 * 1,5 72 12 8.36 8 4.25 3.5 201.2 M150 * 2 200 16.43 16 7.9 7 2651
      M50 * 1,5 72 186.8 M160 * 3 210 2810
      M52 * 1,5 78 238 M170 * 3 220 2970
      M55 * 2 78 214.4 M180 * 3 230 30 3610
      M56 * 2 85 290.1 M190 * 3 240 3794
      M60 * 2 90 320.3 M200 * 3 250 3978





      Hot Tags: Kacang-kacang slotted kanthi lengkap, China, Produsen, Pabrik Pemasok, Pabrik
      Kategori sing gegandhengan
      Kirim Pitakonan
      Mangga bebas menehi pitakon ing formulir ing ngisor iki. Kita bakal mangsuli sampeyan ing 24 jam.
      X
      We use cookies to offer you a better browsing experience, analyze site traffic and personalize content. By using this site, you agree to our use of cookies. Privacy Policy
      Reject Accept