Dadi, nalika sampeyan ndeleng bolt Lift Assured Eye, sampeyan bakal nemokake sawetara bahan sing umum, lan milih sing bener gumantung saka pakaryan tartamtu. Tipe sing paling umum sampeyan bakal weruh yaiku baja karbon. Iki minangka pilihan umum kanggo tugas ngangkat saben dina sing ora mbutuhake kahanan khusus. Kanggo nyegah teyeng, baut baja karbon iki biasane duwe plating seng, sing menehi tampilan silvery, rada mengilap.
Banjur ana stainless steel. Sampeyan pengin nindakake iki yen sampeyan kerja ing panggonan sing bisa udan utawa korosif, kayata cedhak segara utawa ing pabrik kimia. Nilai sing paling umum yaiku 304 lan 316, kanthi 316 dadi tugas sing luwih abot kanggo setelan sing angel banget. Ing sisih liya, yen sampeyan ngangkat beban sing abot, sampeyan kudu munggah menyang bolt mata baja paduan palsu. Materi iki digawe khusus kanggo nangani syarat kekuatan sing luwih dhuwur, saengga luwih angel tinimbang baja karbon standar.
Yen sampeyan entuk bolt Lift Assured Eye, sampeyan bakal sok dong mirsani yen dheweke kerep duwe finish sing beda. Iki ora mung kanggo katon; perawatan lumahing iki tenan bab nggawe bolt tahan maneh lan perang mati teyeng, kang super penting kanggo safety lan kekiatan.

Cara umum sing sampeyan bakal weruh yaiku electroplating. Iki ngendi padha sijine lapisan lancip kaya seng utawa nikel menyang baja. Iku menehi pangayoman dhasar prayoga marang karat lan uga nggawe bolt katon rada padhang. Nanging yen sampeyan butuh sing luwih angel kanggo lingkungan sing atos, kayata ing njobo ing situs konstruksi utawa ing wilayah segara sing lembab, sampeyan pengin nggoleki bolt mata galvanis sing panas. Proses iki nggawe lapisan sing luwih kenthel sing luwih kuat lan bisa ngatasi luwih akeh penyalahgunaan saka wektu.
Ana pilihan liyane, banget. Contone, oksida ireng minangka perawatan sing ninggalake bolt kanthi finish sing peteng lan ora reflektif. Nawakake sawetara resistance teyeng nanging asring dipilih luwih kanggo katon lan kanggo ngurangi sorotan cahya. Lan kanggo bolts stainless steel, padha kerep nggunakake proses disebut passivation. Iki bisa uga muni rumit, nanging Sejatine adus kimia sing mbantu ngresiki lan ngiyataken lapisan protèktif alam ing stainless steel, ngedongkrak kemampuan kanggo nolak teyeng.
Pitakonan: Apa bolt Lift Assured Eye sampeyan teka karo sertifikasi? Ya, kita bisa menehi sertifikat test kanggo bolt Eye Assured Lift. Iku mbuktekaken bolt Mripat meets standar kaya ASME B18.15, lan nandheske apa materi digawe saka lan mechanical sawijining.
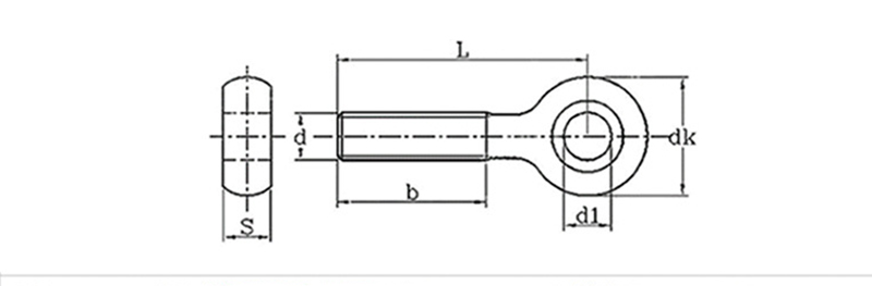
|
mm |
|||
|
Diameter benang |
d1 |
dk |
s |
|
M6 |
5 |
10.5 |
5.4 |
|
M8 |
6 | 13 | 7 |
|
M10 |
8 | 16 | 8.5 |
|
M12 |
10 | 19 | 10.5 |