Ngarep > Produk > Bolt > Bulat Kepala Bolt > Bolt Mripat Mripat lancar
      Bolt Mripat Mripat lancar

      Bolt Mripat Mripat lancar

      Bolts mripat sing mulus yaiku bolts khusus kanthi sirah bundher lan bolongan. Desain bundher sing lancar ngidini dheweke pasangan karo shafts liyane lan muter. Bolts digunakake ing Majelis perabotan, sambungan komponen mekarik, dll, bolong mata mripat sing apik banget, lan perbaikan terus-terusan ing desain lan proses manufaktur wis dadi populer karo para panuku.

      Kirim Pitakonan

      Deskripsi Produk

      Biaya pengiriman produk

      Sampeyan ngerti, nalika sampeyan ngirim bolts mripat lancar, apa sing sampeyan bayar tenan bakal mudhun menyang sawetara perkara: Apa paket sampeyan abot, lan ing endi sing gedhe. Kaya, salah sawijining papan sing aku weruh ngisi biaya 10 kanggo pesenan ing ngisor 10 kilogram tinimbang sing luwih abot tinimbang, lan regane munggah. Umume perusahaan pengiriman bakal katon ing bobot nyata kothak utawa bobote volume (sing sejatine kepiye ruang sing dibutuhake), lan bakal ngisi sampeyan adhedhasar nomer sing luwih gedhe. Dadi, yen sampeyan pengin ngerti biaya pengiriman nyata kanggo urutan mafet mripat, apike kanggo mriksa langsung karo supplier sampeyan utawa nggunakake kalkulator pengiriman ing situs web. Kanthi cara sampeyan entuk nomer nyata, ora mung guess.

      Karakteristik Katrampilan Produk

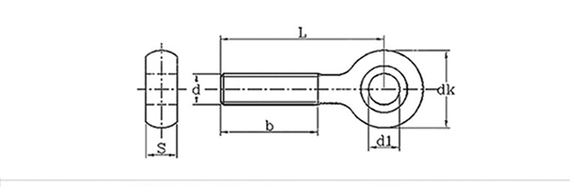
      Dadi, yen sampeyan ndeleng bolt mripat sing rame, sejatine sampeyan wis entuk gelung babak ing siji mburi lan pungkasane skru ing sisih liyane. Part sing ngawut-awut-apa sing diarani shank-bisa uga duwe benang kabeh utawa mung sebagian. Sawetara versi uga duwe kerah sing rata ing ngisor mripat, sing pancen mbiyantu amarga nyebarake kekuwatan kasebut kanthi merata yen sampeyan ngangkat barang ing sudut. Iku desain sing apik, nanging sing ndadekake bisa dipercaya minangka titik sing padhet kanggo pancing nalika sampeyan ngangkat barang sing abot utawa nyiyapake rigging.

      Smooth Eye Eye Bolt

      Sesi Q & A

      Pitakenan: Apa bahan sing digawe saka mripat sing apik banget?

      Dadi, yen sampeyan ndeleng bolt mripat sing rame, sejatine sampeyan wis entuk gelung babak ing siji mburi lan pungkasane skru ing sisih liyane. Part sing ngawut-awut-apa sing diarani shank-bisa uga duwe benang kabeh utawa mung sebagian. Sawetara versi uga duwe kerah sing rata ing ngisor mripat, sing pancen mbiyantu amarga nyebarake kekuwatan kasebut kanthi merata yen sampeyan ngangkat barang ing sudut. Iku desain sing apik, nanging sing ndadekake bisa dipercaya minangka titik sing padhet kanggo pancing nalika sampeyan ngangkat barang sing abot utawa nyiyapake rigging.

      Smooth Eye Eye Bolt

      mm
      Diameter benang
      D1
      DK
      s
      M6
      5 10.5 5.4
      M8
      6 13 7
      M10
      8 16 8.5
      M12
      10 19 10.5
      M14
      10 22 12


      Hot Tags: Bolt Mripat Mripat lancar
      Kategori sing gegandhengan
      Kirim Pitakonan
      Mangga bebas menehi pitakon ing formulir ing ngisor iki. Kita bakal mangsuli sampeyan ing 24 jam.
      X
      We use cookies to offer you a better browsing experience, analyze site traffic and personalize content. By using this site, you agree to our use of cookies. Privacy Policy
      Reject Accept