Ngarep > Produk > Bolt > T-bolt > T shaped kothak gulu bolt
        T shaped kothak gulu bolt
        • T shaped kothak gulu boltT shaped kothak gulu bolt
        • T shaped kothak gulu boltT shaped kothak gulu bolt
        • T shaped kothak gulu boltT shaped kothak gulu bolt

        T shaped kothak gulu bolt

        Bolt gulu kothak T shaped misuwur kanggo kinerja pinunjul lan stabilitas. Baut sing diprodhuksi dening pabrikan Xiaoguo® bisa nyedhiyakake dhukungan sing tahan lama lan kuwat. We offer pangiriman cepet item persediaan. Sanajan sampeyan butuh banget, kita isih bisa nyukupi panjaluk sampeyan.
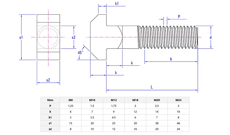
        Model:JIS B1166-1995

        Kirim Pitakonan

        Deskripsi Produk

        Kepala ingT shaped kothak gulu boltiku T-shaped, karo gulu kothak disambungake ing ngisor iki, ngiring dening bagean meneng Utas. Diprodhuksi kanthi ketat miturut standar JB / T 1709-1991, bisa nyukupi syarat sambungan sing beda.

        Detail produk

        Bolt bisa digunakake kanggo mbangun pigura workstation luwes. Padha bisa geser menyang grooves extrusion ing sembarang posisi. Tambah krenjang lan kenceng. Gulu bolt bisa langsung clamped kanggo njaga kothak komponen. Tata letak bisa diatur maneh tanpa ngebur bolongan anyar.

        T shaped square neck bolt


        LebokakeT shaped kothak gulu boltmenyang slot T-shaped pigura ngadeg tampilan. Desain gulu kothak ngalangi bolts saka muter sak instalasi. Kanthi ngencengi utawa ngeculake kacang, posisi komponen individu bisa diatur, saéngga ngganti wujud lan tata letak tampilan. Kepala T-shaped lan gulu kothak bisa bebarengan kanggo mesthekake sambungan stabil saka ngadeg tampilan lan nyegah saka goyang.

        bolts gulu kothak T-shaped bisa digunakake kanggo nginstal piranti conveyor belt drive, kang geser menyang grooves pigura. Nalika ngencengi krenjang sprocket, gulu bolt bakal ngunci, saéngga njaga keselarasan sing tepat sajrone proses tension. Ing misalignment saka pulley disebabake rotasi saka bolt wis ngilangi.


        Parameter produk

        T shaped square neck bolt


        titik sade produk

        Desain sakaT shaped kothak gulu boltiku pinter banget. Kepala T-shaped trep kanggo posisi lan operasi. Gulu kothak bisa nyegah bolt saka muter bebarengan karo nut nalika tightened, nggawe sambungan luwih stabil. Ora ana katrampilan profesional sing dibutuhake sajrone instalasi. Apa iku produksi industri utawa urip saben dina, anggere ana perlu kanggo sambungan obyek lan fiksasi, Sejatine bisa sijine kanggo nggunakake.

        Hot Tags: T shaped kothak gulu bolt, China, Produsen, Supplier, Pabrik
        Kategori sing gegandhengan
        Kirim Pitakonan
        Mangga bebas menehi pitakon ing formulir ing ngisor iki. Kita bakal mangsuli sampeyan ing 24 jam.
        X
        Kita nggunakake cookie kanggo menehi pengalaman browsing sing luwih apik, nganalisa lalu lintas situs lan nggawe konten pribadi. Kanthi nggunakake situs iki, sampeyan setuju kanggo nggunakake cookie. Kebijakan Privasi
        nolak Nampa