Ngarep > Produk > Kacang Welding > Ngawut-awut welding > Sekrup Las Kanthi Utas Metrik
        Sekrup Las Kanthi Utas Metrik
        • Sekrup Las Kanthi Utas MetrikSekrup Las Kanthi Utas Metrik
        • Sekrup Las Kanthi Utas MetrikSekrup Las Kanthi Utas Metrik
        • Sekrup Las Kanthi Utas MetrikSekrup Las Kanthi Utas Metrik

        Sekrup Las Kanthi Utas Metrik

        Sekrup las nganggo benang metrik digunakake kanggo ngelas menyang permukaan logam, banjur benang metrik digunakake kanggo nyambungake komponen liyane. Perusahaan Xiaoguo® duwe persediaan barang sing cukup. Padha cocok kanggo manufaktur logam, panel otomotif utawa pigura industri.
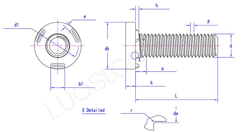
        Model:DIN 34817-2001

        Kirim Pitakonan

        Deskripsi Produk

        Mon
        M5 M6 M8 M10 M12 M14
        P
        0.8 1 1.25 1.5 1.5 1.5
        maks
        2.4 2.8 3.7 4.4 4.6 4.6
        dk maks
        10 12 16 20 24 28
        dk min
        9.64 11.57 15.57 19.48 23.48 27.48
        d1 min
        7.85 9.75 13.25 17.15 21.15 25.20
        d1 maks
        8.21 10.11 13.68 17.58 21.67 25.72
        h maks
        0.8 0.8 1.2 1.4 1.6 1.6
        h min
        0.7 0.7 1.1 1.3 1.5 1.5
        k maks
        2.2 2.7 3.2 4.2 5 5.8
        k min
        1.8 2.3 2.8 3.8 4.6 5.4
        r min
        0.1 0.15 0.15 0.15 0.15 0.2
        e maks
        1.7 1.7 2.2 2.2 2.2 2.7
        e min
        1.3 1.3 1.8 1.8 1.8 2.3
        b1 maks
        3.9 4.4 5.9 7.9 9.4 11.5
        b1 min
        3.1 3.6 5.1 7.1 8.6 10.5
        lan max
        5.3 6.4 8.4 10.5 13 15

        Sekrup las kanthi benang metrik dipasang ing benda kerja kanthi welding. Sekrup jinis iki kasedhiya ing gaya sirah lan non-sirah. Miturut Utas, iku bisa luwih diklasifikasikaké menyang ngawut-awut external thread gandheng lan ngawut-awut thread gandheng internal. Spesifikasi umume saka M5 nganti M14.

        Weld screw with metric thread parameter

        Bisa digunakake ing

        Sekrup las nganggo benang metrik digunakake kanggo ndandani braket knalpot. Yenboltbolongan saka krenjang exhaust rusak, bisa didandani kanthi nggunakake. Ngresiki titik weld titik ing pigura, nginstal ngawut-awut, lan nindakake titik welding liwat bolongan ing washers. Kencengake krenjang kanthi baut. Mung butuh 3 menit lan ora perlu nggulung maneh utawa nutul. Bisa nahan getaran dalan tanpa ngeculake.

        Weld meneng karo thread metrik digunakake kanggo upgrade krenjang conveyor. Yen sampeyan perlu kanggo nambah sensor kanggo conveyor ana, digunakake kanggo cepet nginstal kurung. Las sekrup M8 menyang ril pandhuan pigura sing dibutuhake. Ora perlu ngebor bolongan ing struktur kunci. Braket sensor langsung dipasang ing benang anyar kanthi baut. Ngirit wektu sing dibutuhake kanggo rewiring sajrone renovasi lan instalasi.

        Sekrup las digunakake kanggo nginstal pipa hidrolik. Yen perlu kanggo ndandani klem selang hidrolik ing peralatan, nggunakake bisa nyegah goyang. Weld M6 ngawut-awut bebarengan pigura saben 18 inci. Bracket fixture langsung dipasang ing sekrup kanthi bolts. Padha bisa tahan getaran terus-terusan luwih apik tinimbang sekrup lembaran logam. Nyegah selang saka aus amarga gesekan.

        Fitur produk

        Fitur saka sekrup weld karo thread metrik dumunung ing nggunakake cara fiksasi welding. Dibandhingake karo sambungan mechanical biasa, welding bisa nggawe ngawut-awut lan materi dhasar mbentuk jaminan kenceng, meh terpadu. Desain benang metrik bisa dicocogake kanthi trep karo kacang utawa komponen kanthi benang internal, nggampangake instalasi bagean liyane ing mangsa ngarep. Kajaba iku, akurasi dimensi benang tundhuk karo standar metrik, dadi serbaguna.

        Hot Tags: Sekrup Las Kanthi Utas Metrik, China, Produsen, Supplier, Pabrik
        Kategori sing gegandhengan
        Kirim Pitakonan
        Mangga bebas menehi pitakon ing formulir ing ngisor iki. Kita bakal mangsuli sampeyan ing 24 jam.
        X
        Kita nggunakake cookie kanggo menehi pengalaman browsing sing luwih apik, nganalisa lalu lintas situs lan nggawe konten pribadi. Kanthi nggunakake situs iki, sampeyan setuju kanggo nggunakake cookie. Kebijakan Privasi
        nolak Nampa