Ngarep > Produk > Nut > Kacang Hexagon > Kacang las Hexagon sing dilapisi
        Kacang las Hexagon sing dilapisi
        • Kacang las Hexagon sing dilapisiKacang las Hexagon sing dilapisi
        • Kacang las Hexagon sing dilapisiKacang las Hexagon sing dilapisi
        • Kacang las Hexagon sing dilapisiKacang las Hexagon sing dilapisi
        • Kacang las Hexagon sing dilapisiKacang las Hexagon sing dilapisi
        • Kacang las Hexagon sing dilapisiKacang las Hexagon sing dilapisi

        Kacang las Hexagon sing dilapisi

        Digunakake sacara wiyar ing industri kayata otomotif, konstruksi, lan mesin, kacang weld Hexagon Streamlined nyedhiyakake solusi sing bisa dipercaya kanggo aplikasi sing mbutuhake sambungan sing kuat lan tahan getaran. Tim ahli Xiaoguo® kerja sama karo produsen lan pelanggan kanggo ngerti kabutuhan, nawakake solusi khusus sing cocog karo proyek unik.
        Model:Q 370C-1999

        Kirim Pitakonan

        Deskripsi Produk

        Kanggo nggawe streamlined Hexagon weld nut tahan maneh lan bisa luwih apik, padha asring njaluk perawatan lumahing.

        Cara perawatan sing umum yaiku galvanizing, sing nutupi permukaan kacang karo seng. Kanthi cara iki, nalika nut digunakake ing lingkungan lembab, seng njaba bakal teyeng pisanan, saéngga nglindhungi logam nang saka oksidasi, saéngga nambah urip layanan. Pangobatan liyane diarani oksidasi ireng, sing ndadekake kacang katon ireng lan uga nduweni fungsi anti karat, nanging efek anti karat ora kuwat kaya galvanizing.

        Detail Produk

        Kacang las Hexagon sing lancar teka ing macem-macem ukuran supaya cocog karo macem-macem proyek. Sampeyan bisa nemokake kanthi benang cilik lan apik ing ngendi sampeyan butuh barang sing kudu diatur kanthi bener tanpa kekuwatan, lan kanthi benang sing luwih gedhe lan kuwat kanggo pakaryan abot sing kudu nangani akeh kekuwatan tanpa ngudani. Kacang-kacangan dhewe uga beda-beda ing jembare ing sisih sing rata lan kekandelane. Iki tegese apa sampeyan lagi nggarap fix DIY cilik utawa proyek pabrik gedhe, ana cantik akeh tansah kacang weld hex sing bakal bisa kanggo apa sing perlu.

        Tutorial Instalasi

        Panggolekan ing Streamlined Hexagon weld nut cukup suta. Miwiti kanthi nggawe bolongan ing bahan dasar sing cocog karo tab cilik ing kacang. Geser tab menyang bolongan-iki mbantu supaya kacang ora obah. Banjur, nggunakake gun welding karo tip tengen kanggo pass saiki liwat iku. Panas nyawiji bagean kacang ing logam, gabungke. Welding jinis iki cepet lan bisa digunakake nalika sampeyan nggawe akeh bagean sing padha. Priksa manawa area kasebut resik sadurunge sampeyan ngelas supaya tetep kuwat.

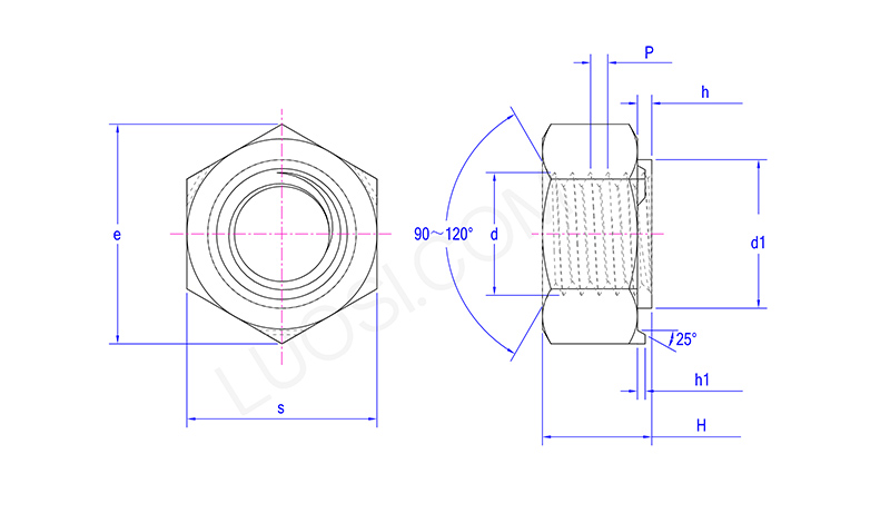
        Mon M3 M4 M5 M6 M8 M10 M12
        P 0.5 0.7 0.8 1 1.25 1.5 1.75
        d1 maks 4.47 5.97 6.96 7.96 10.45 12.45 14.75
        d1 min 4.395 5.895 6.87 7.87 10.34 12.34 14.64
        e min 8.15 9.83 10.95 12.02 15.38 18.74 20.91
        h maks 0.55 0.65 0.7 0.75 0.9 1.15 1.4
        h min 0.45 0.55 0.6 0.6 0.75 1 1.2
        h1 maks 0.25 0.35 0.4 0.4 0.5 0.65 0.8
        h1 min 0.15 0.25 0.3 0.3 0.35 0.5 0.6
        s maks 7.5 9 10 11 14 17 19
        s min 7.28 8.78 9.78 10.73 13.73 16.73 18.67
        H maks 3 3.5 4 5 6.5 8 10
        H min 2.75 3.2 3.7 4.7 6.14 7.64 9.64

        Streamlined Hexagon weld nut



        Hot Tags: Kacang las Hexagon sing ramping, China, Produsen, Pemasok, Pabrik
        Kategori sing gegandhengan
        Kirim Pitakonan
        Mangga bebas menehi pitakon ing formulir ing ngisor iki. Kita bakal mangsuli sampeyan ing 24 jam.
        X
        Kita nggunakake cookie kanggo menehi pengalaman browsing sing luwih apik, nganalisa lalu lintas situs lan nggawe konten pribadi. Kanthi nggunakake situs iki, sampeyan setuju kanggo nggunakake cookie. Kebijakan Privasi
        nolak Nampa