Ngarep > Produk > Nut > Kacang Hexagon Flange > Flush Mount Welding Flange Nut
        Flush Mount Welding Flange Nut
        • Flush Mount Welding Flange NutFlush Mount Welding Flange Nut
        • Flush Mount Welding Flange NutFlush Mount Welding Flange Nut
        • Flush Mount Welding Flange NutFlush Mount Welding Flange Nut
        • Flush Mount Welding Flange NutFlush Mount Welding Flange Nut
        • Flush Mount Welding Flange NutFlush Mount Welding Flange Nut

        Flush Mount Welding Flange Nut

        Ora kaya kacang biasa, nut flange welding flush mount dirancang kanggo dilas langsung menyang panggonan. Sing nggawe sambungan sing kuat lan tetep sing dimaksudake kanggo persiyapan tugas abot. Yen sampeyan duwe pitakon babagan sertifikasi, bahan apa sing digunakake, utawa rincian babagan pemasok, takon wae - tim ing Xiaoguo® bisa ngisi kabeh informasi sing dibutuhake.
        Model:QC/T 872-2011

        Kirim Pitakonan

        Deskripsi Produk

        Ing sistem sepur, flush mount welding flange nut minangka kunci kanggo nggabungake trek, bogies, lan peralatan sinyal. Dheweke ora gampang ngeculake-sanajan kanthi gerakan sing terus-terusan lan beban sing abot-supaya bisa njaga operasi kanthi aman.

        Dasar flanged ing kacang iki mbantu supaya stabil lan nyuda nyandhang ing bagean sing dipasang. Lagi biasane digawe saka baja dhuwur-bahan, supaya padha bisa njupuk akèh meksa, bebarengan karo owah-owahan panas lan Kelembapan.

        Dheweke uga nyukupi kabeh spek kanggo panggunaan sepur-cukup tahan lama kanggo kerja jangka panjang ing sepur penumpang lan barang. Sejatine, yen sampeyan butuh kacang sing tetep nyenyet lan tahan ing persiyapan sepur - ing ngendi linuwih penting banget - iki minangka pilihan sing padhet.

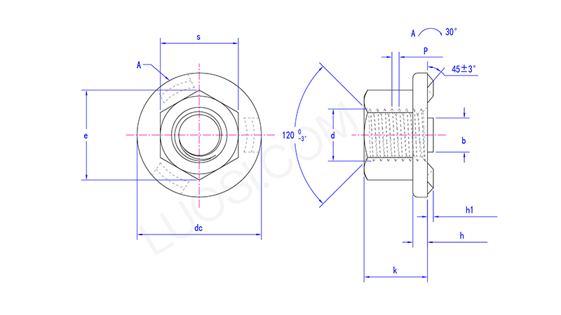
        Mon M5 M6 M8 M10 M12 M14 M16
        P 0.8 1 1.25 1.5 1.75 2 2
        h1 maks 0.9 0.9 1.1 1.3 1.3 1.3 1.3
        h1 min 0.7 0.7 0.9 1.1 1.1 1.1 1.1
        dc maks 15.5 18.5 22.5 26.5 30.5 33.5 36.5
        dc min 14.5 17.5 21.5 25.5 29.5 32.5 35.5
        e min 8.2 10.6 13.6 16.9 19.4 22.4 25
        h maks 1.95 2.25 2.75 3.25 3.25 4.25 4.25
        h min 1.45 1.75 2.25 2.75 2.75 3.75 3.75
        b maks 4.1 5.1 6.1 7.1 8.1 8.1 8.1
        b min 3.9 4.9 5.9 6.9 7.9 7.9 7.9
        k min 4.7 6.64 9.64 12.57 14.57 16.16 18.66
        k maks 5 7 10 13 15 17 19.5
        s maks 8 10 13 16 18 21 24
        s min 7.64 9.64 12.57 15.57 17.57 20.16 23.16

        Flush-Mount Welding Flange Nut


        Kaluwihan produk

        Nut flange welding flush mount duwe flange sing bisa digunakake kaya mesin cuci - menehi permukaan bantalan sing luwih gedhe tinimbang kacang biasa. Desain iki nyuda tekanan ing permukaan lan njaga bahan sing disambungake supaya ora rusak.

        Kacang-kacangan iki biasane nganggo basa heksagonal utawa bunder. Lumahing bisa uga atos (serrated) utawa alus-gumantung saka genggaman sing dibutuhake. Biasane digawe saka baja karbon, stainless, utawa wesi, lan asring dilengkapi karo lapisan seng utawa galvanis kanggo nyegah karat.

        Sanajan padha cukup kompak, padha dibangun kuwat lan bisa karo paling persiyapan welding. Sejatine, flange dibangun ing ngethok metu perlu kanggo mesin cuci kapisah, lan bahan / lapisan nggawe wong terus munggah uga-prasaja nanging efektif kanggo welding jobs.

        P: Kepiye resistensi karat saka Flush Mount Welding Flange Nut?

        A: standar baja karbon flush gunung welding flange kacang teka karo lapisan seng dilapisi, nawakake pangayoman dhasar. Kanggo ketahanan korosi sing luwih apik (cocog kanggo aplikasi sing kasar / njaba ruangan), kacang flange welding flush stainless steel disaranake minangka pilihan sing disenengi.



        Hot Tags: Flush Mount Welding Flange Nut, China, Produsen, Supplier, Pabrik
        Kategori sing gegandhengan
        Kirim Pitakonan
        Mangga bebas menehi pitakon ing formulir ing ngisor iki. Kita bakal mangsuli sampeyan ing 24 jam.
        X
        Kita nggunakake cookie kanggo menehi pengalaman browsing sing luwih apik, nganalisa lalu lintas situs lan nggawe konten pribadi. Kanthi nggunakake situs iki, sampeyan setuju kanggo nggunakake cookie. Kebijakan Privasi
        nolak Nampa