Kandang keling PBB iki kanggo papan PCB biasane digawe saka wesi baja sing apik, kayata baja karbon rendah utawa stainless steel, utawa aluminium. Dheweke duwe kekuatan mekanik sing padhet lan tahan suwe.
Baja menehi kekuatan tarik lan geser sing paling akeh. Aluminium, ing tangan liyane, nindakake listrik kanthi apik lan entheng.
Logam sing dipilih kanggo kandang iki tegese bisa nangani beban mekanik sing abot, stres saka siklus pemanasan lan pendinginan, lan tetep kuwat sajrone prodhuk digunakake.
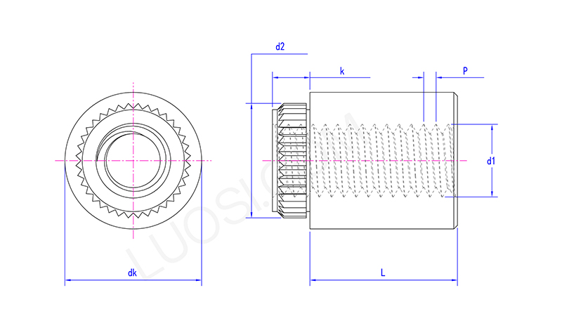
Kandang keling PBB kanggo papan PCB minangka pengikat permanen lan dhuwur sing digunakake kanggo nyedhiyakake titik fiksasi benang eksternal sing dipercaya ing papan sirkuit cetak (PCB). Ing kene, "UN" biasane nggambarake "Standar Nasional Seragam", nuduhake jinis ulir sekrup standar sing diduweni (kayata UNC utawa UNF), sing njamin kompatibilitas karo macem-macem kacang standar.
Proses instalasi cepet lan efisien. Lebokake kandang jaran menyang bolongan sing wis dibor ing papan PCB. Banjur, nggunakake alat riveting darmabakti kanggo deform mburi warata saka kandang jaran, nyebabake kanggo nggedhekake metu lan kuwat genggeman antarane sirah rivet lan Pundhak utawa flange saka kandang jaran, saéngga mbentuk sambungan kuwat lan geter-tahan tanpa perlu kanggo welding.
Cara iki utamané cocok kanggo skenario sing mbutuhake tahan kaku mechanical gedhe, kudu ngalami sawetara operasi plug-in, utawa ngendi panas kui dening welding bisa ngrusak komponen sensitif.
Iki UN riveted kandang jaran kanggo Papan PCB sing sijine ing nggunakake kadhemen mbentuk utawa cara riveting.
Sampeyan kelet kandang jaran liwat bolongan sing wis dibor ing PCB. Banjur alat riveting khusus bends shank kandang jaran marang mati ing Papan, nggawe permanen, kunci flared sing nahan ing panggonan.
Cara pangolahan kadhemen ngasilake kurang panas lan ora bakal ngrusak laminate utawa sirkuit PCB. Nalika dipasang kanthi bener, stud nyedhiyakake fiksasi sing kuat lan tahan getaran tanpa ngrusak struktur papan sirkuit.

| pasar | Pendapatan (Taun Sadurunge) | Total revenue (%) |
| Amerika Utara | Rahasia | 20 |
| Amérika Kidul | Rahasia | 4 |
| Eropah Wétan | Rahasia | 24 |
| Asia Tenggara | Rahasia | 2 |
| Afrika | Rahasia | 2 |
| Oseania | Rahasia | 1 |
| Timur Tengah | Rahasia | 4 |
| Asia wetan | Rahasia | 13 |
| Eropah Kulon | Rahasia | 18 |
| Amerika Tengah | Rahasia | 6 |
| Eropah Lor | Rahasia | 2 |
| Eropah Kidul | Rahasia | 1 |
| Asia Kidul | Rahasia | 4 |
| Pasar Domestik | Rahasia | 5 |